中心議題:
- Buck變換器AP3406的典型應用
- 反饋電阻在Buck變換器中的作用
解決方案:
- Buck變換器AP3406的環路增益測試
- Buck變換器系統的動態響應測試
Buck變換器由于具有效率高的優點而被廣泛應用于手機、GPS、MP3等移動多媒體設備上,目前很多電源管理芯片制造廠商都推出了不同電流能力的Buck變換器,這類變換器雖然在電流能力和保護功能方面存在一些差異,但是他們電路的主框架結構是基本一致的,主要可以分為兩個部分:一是實現電能轉換的主功率部分,另一部分是實現負反饋控制的控制電路,如圖1所示。

圖1 Buck變換器電路主框圖
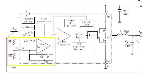
對于不同廠商設計的Buck變換器芯片,外圍電路所需要的器件會有所不同,這是因為芯片的集成度有差異,比如,有的廠商會把功率管集成在芯片內部;有的廠商會把控制部分的補償網絡集成在芯片內部。集成度越高的芯片,外圍電路所需要的器件就越少,因此對于客戶來說,外圍器件的選擇需要根據具體芯片來決定。然而,對于任何一個輸出可以調節的Buck變換器芯片,選擇合適的反饋電阻是必不可少的。圖2是BCD半導體公司的Buck變換器AP3406的典型應用圖,由于該芯片集成度很高,外圍只需要輸入電容、輸出電感、輸出電容和反饋電阻,本文就以此為例對反饋電阻的作用做簡要分析,為如何選擇反饋電阻提供參考。

圖2 Buck變換器芯片典型應用圖
設置輸出電壓
反饋電阻Rf1和Rf2的第一個作用是設置Buck電路的輸出電壓值,如圖2所示,穩態時,運算放大器的反相輸入端和同相輸入端電壓是相等的,于是可以得到輸出電壓計算公式:
,其中VREF是芯片內部基準電壓(本例中為0.6V)。
影響系統穩定性和動態響應
為了實現系統的抗干擾能力,Buck變換器除了主功率部分以外,還會有相應的負反饋控制電路,補償網絡是反饋控制電路的一部分。補償網絡的加入可以提高環路的低頻增益,從而提高抗干擾能力;同時補償網路使系統擁有足夠的相位裕度,從而保證系統處于穩定的工作狀態,不會振蕩。圖2中黃色框內的部分就是補償網絡部分,補償網絡中包括 R1,C1,C2和Rf1(注:Rf2在環路分析中不起作用),補償網絡的傳遞函數可以表示為:

從上式可以看出補償網絡產生了兩個極點,其中一個極點在0點,另一個極點為
, 同時還產生了一個零點
[page]
在mathcad中做出Gc(s)的幅頻特性和相頻特性,如圖3和圖4所示,Rf1在補償網絡中的作用是改變中頻段增益,對補償網絡中的零極點不會有影響,在圖3和圖4中的表現就是隨著Rf1的改變,補償網絡Gc(s)的幅頻特性上下平移,相頻特性不變。

圖3 補償網絡幅頻特性

圖4 補償網絡相頻特性
因此,當補償網絡進入系統環路之后,Rf1的作用是使環路增益的幅頻特性上下平移,同時環路增益的相頻特性保持不變。

圖5 Buck變換器環路增益測試結果1
[page]

圖6 Buck變換器環路增益測試結果2
圖5和圖6是用網絡分析儀進行AP3406環路增益測試的結果。由圖可以看出,當Rf1從300k變化到470k,再變化到750k,系統的環路增益的幅頻特性不斷向下移動,同時相頻特性基本不變。于是系統的帶寬和相位裕度都有較大改變,測試結果如表1所示。

表1 AP3406環路增益測試結果
系統的帶寬是影響系統動態響應的重要因素,相位裕度是影響系統穩定性的重要因素。如果選擇不同的Rf1,系統的帶寬和相位裕度會產生變化,也就是動態響應和穩定性會發生變化。具體以表1來分析,當Rf1從300k變到750k,系統地帶寬從51.1kHz變到26.1kHz,因此系統的動態響應會相應的變差,而由于相位裕度都是足夠的,因此系統都處于穩定工作的狀態。圖7和圖8是做負載切換的動態響應測試結果,從測試結果可以看出環路響應速度變慢,導致輸出電壓過沖變大,動態響應效果變差。

圖7 動態響應測試結果(Rf1=300k)

圖8 動態響應測試結果(Rf1=750k)
從以上分析可以看出,選擇合適的反饋電阻Rf1和Rf2對AP3406及同類補償結構的Buck變換器有很重要的作用。選擇反饋電阻時,不能只考慮穩態時,輸出電壓是否符合要求,還應該考慮,反饋電阻對系統穩定性和動態響應的影響。




