【導讀】氮化鎵(GaN)是最接近理想的半導體開關的器件,能夠以非常高的能效和高功率密度實現電源轉換。但GaN器件在某些方面不如舊的硅技術強固,因此需謹慎應用,集成正確的門極驅動對于實現最佳性能和可靠性至關重要。本文著眼于這些問題,給出一個驅動器方案,解決設計過程的風險。
氮化鎵(GaN)HEMT是電源轉換器的典范,其端到端能效高于當今的硅基方案,輕松超過服務器和云數據中心最嚴格的80+規范或USB PD外部適配器的歐盟行為準則Tier 2標準。雖然舊的硅基開關技術聲稱性能接近理想,可快速、低損耗開關,而GaN器件更接近但不可直接替代。為了充分發揮該技術的潛在優勢,外部驅動電路必須與GaN器件匹配,同時還要精心布板。
對比GaN和硅開關
更高能效是增強型GaN較硅(Si)開關的主要潛在優勢。不同于耗盡型GaN,增強型GaN通常是關斷的器件,因此它需要一個正門極驅動電壓來導通。增強型GaN的更高能效源于較低的器件電容和GaN的反向(第三象限)導電能力,但反向恢復電荷為零,這是用于硬開關應用的一個主要優點。低柵極源和柵極漏電容,產生低總柵電荷,支持門極驅動器快速門極開關和低損耗。此外,低輸出電容提供較低的關斷損耗。可能影響實際GaN性能的其他差別是沒有漏源/柵雪崩電壓額定值和相對較低的絕對最大門極電壓,Si MOSFET約+/-20V,而GaN通常只有+/-10V。另外,GaN的導通閾值(VGTH) 約1.5V,遠低于Si MOSFET(約3.5V)。如果外部驅動和負載電路能夠可靠地控制源極和門極電壓,開關頻率可達數百kHz或MHz區域,從而保持高能效,進而減小磁性器件和電容尺寸,提供高功率密度。
GaN門極驅動對性能至關重要
使門極驅動電壓保持在絕對最大限值內并不是唯一的要求。對于最快的開關,一個典型的GaN器件需要被驅動到約5.2V的最佳VG(ON)值,這樣才能完全增強,而不需要額外的門極驅動功率。驅動功率PD由下式得出:
其中VSW為總門極電壓擺幅,f為開關頻率,QGTOT為總門極電荷。雖然GaN門極具有有效的電容特性,但在門極的有效串聯電阻和驅動器中功率被耗散。因此,使電壓擺幅保持最小很重要,特別是在頻率很高的情況下。通常,對于GaN來說,QGTOT是幾nC,約是類似的硅MOSFET值的十分之一-這也是GaN能夠如此快速開關的原因之一。GaN器件是由電荷控制的,因此對于納秒開關具有納米庫侖門極電荷,峰值電流為放大器級,必須由驅動器提供,同時保持精確的電壓。
理論上,GaN器件在VGS = 0安全關斷,但在現實世界中,即使是最好的門極驅動器,直接施加到門極的電壓也不可能是0V。根據VOPP = -L di/dt (圖1),在門極驅動回路共有的源引線中的任何串聯電感L都會對門極驅動器產生相反的電壓VOPP,這會導致高源di/dt的假開關。同樣的影響可能是由關態dv/dt迫使電流流過器件的“Miller”電容造成的,但對于GaN,這可忽略不計。一種解決方案是提供一個負門極關斷電壓,可能-2或-3V,但這使門極驅動電路復雜,為避免復雜,可通過謹慎布板和使用以‘開爾文連接’和具有最小封裝電感的器件如低高度、無鉛PQFN型封裝。

圖1:源極和門極驅動共有的電感會引起電壓瞬變
高邊門極驅動的挑戰
GaN器件不一定適合于所有的拓撲結構,如大多數“單端”反激式和正激式沒有反向導通,而且其高于硅MOSFET的額外成本超過了任何小的能效優勢。然而,“半橋”拓撲-如圖騰柱無橋PFC、LLC轉換器和有源鉗位反激-將自然成為GaN的根據地,無論是硬開關還是軟開關。這些拓撲都有“高邊”開關,其源是個開關節點,因此門極驅動被一個具有納秒級的高壓和高頻波形所抵消。門極驅動信號來源于參照系統地面的控制器,因此高邊驅動器必須將電平移位與適當的耐壓額定值(通常為450 V或更高)結合起來。它還需要一種為高邊驅動產生低壓電源軌的方法,通常采用由自舉二極管和電容組成的網絡,參照開關節點。開關波形應力為dV/dt,GaN可達100 V/ns以上。這導致位移電流流經驅動器到地面,可能導致串聯電阻和連接電感的瞬態電壓,可能損壞敏感的差分門極驅動電壓。因此,驅動器應具有較強的dV/dt抗擾度。
為了最大限度地防止災難性的“擊穿”和實現最佳能效,半橋高邊和低邊器件應保證無重疊被驅動,同時保持最少的死區時間。因此,高邊和低邊驅動應有控制非常好的、匹配的傳播延遲。
對于低邊,接地驅動器應直接在開關源進行開爾文連接,以避免共模電感。這可能是個問題,因為驅動器也有一個接地信號,這可能不是最好的連接。因此,低邊驅動器可能采用隔離或某種分離功率和信號的方法,具有一定程度的共模電壓容限。
GaN驅動器可能需要安全隔離
現在增強型GaN器件正受到極大的關注用于離線應用,這種應用要求設備及其驅動器至少有600 V的高壓額定值,但較低的電壓應用越來越普遍。如果驅動器輸入信號由控制器產生,可通過通信接口人工訪問連接,則驅動器將需要符合相關代碼的安全隔離。這可通過高速信號伽伐尼隔離器以適當的絕緣電壓實現。保持驅動器信號邊緣率和高低邊匹配成為這些布板的問題,雖然控制器電路常被允許‘primary-referenced’,但無論如何,在大多AC-DC轉換器中這是常態。
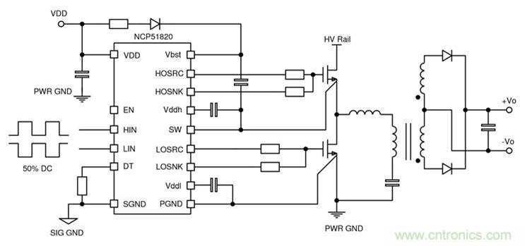
應用示例 – ‘有源鉗位反激’
這是個有源鉗位反激拓撲的例子(圖2),使用一個高邊開關將換流變壓器的漏感能量循環供應。與“緩沖”或硬齊納鉗位法相比,能效更高,EMI更好,漏波更干凈,電路應用功耗低,在45W到150 W之間,典型的應用包括支持USB PD的手機和膝上型計算機的旅行適配器,以及嵌入式電源。

圖2:GaN有源鉗位反激轉換器概覽
圖2顯示安森美半導體的NCP51820專用GaN門極驅動器[1]及NCP1568[2]有源鉗位反激控制器 (細節省略)。該驅動器采用具有調節的+5.2V幅度的門極驅動器用于高邊和低邊最佳增強型GaN。其高邊共模電壓范圍-3.5V到+650V,低邊共模電壓范圍為-3.5至+3.5V,dv/dt抗擾度200 V/ns,采用了先進的結隔離技術。如果在低邊器件源極有一個電流檢測電阻器,低邊驅動電平移位使開爾文連接更容易。驅動波形的上升和下降時間為1ns,最大傳播延遲為50 ns,且高低邊提供獨立的源汲輸出,以定制門極驅動邊沿,達到最佳的EMI/能效折衷。在這種拓撲結構中,高低邊驅動器不重疊,但具有不同的脈沖寬度,以實現由NCP1568器件控制的具漏極鉗位和零電壓開關的電源轉換/調節。
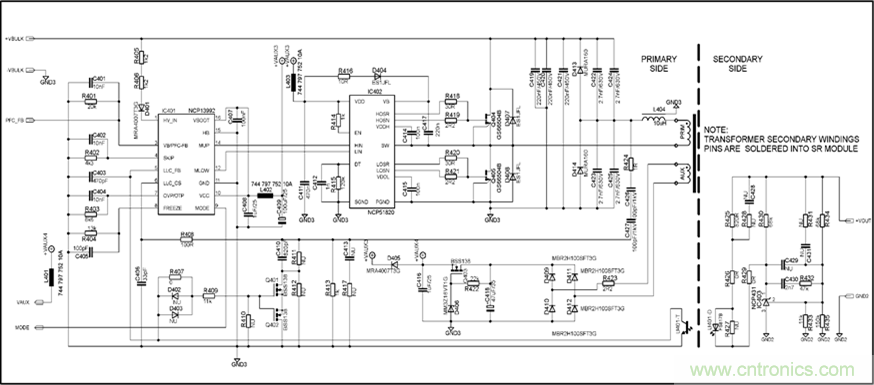
應用示例 – LLC轉換器
在功率大于150 W的情況下,諧振式LLC轉換器因能效高、開關電壓應力有限而常被使用。該轉換器的一個特點是驅動波形為50%的占空比,通過變頻調節。因此,控制死區時間以保證不發生重疊至關重要。圖3顯示了NCP13992高性能LLC控制器的典型架構。這種設計可以在500 kHz的開關頻率下工作,并且通常用于大功率游戲適配器和OLED電視、一體化電腦的嵌入式電源。


圖3:基于GaN的LLC轉換器概覽
所示的安森美半導體NCP51820驅動器確保門極驅動不重疊,但這可視拓撲需要(如電流饋電轉換器)而禁用。該器件還含一個使能輸入和全面的保護,防止電源欠壓和過溫。它采用PQFN、4×4mm 的15引線封裝,使短、低電感連接到GaN器件的門極。
布板考量
在所有應用中,布板是成功的關鍵。圖4顯示了一個采用安森美半導體的NCP51820的示例布板,微型化并匹配門驅動回路。GaN器件和驅動器被置于PCB同側,通過適當地使用接地/返回面來避免大電流通孔。

圖4:GaN門極驅動電路的好的布板
總結
對于GaN開關,需要仔細設計其門極驅動電路,以在實際應用中實現更高能效、功率密度及可靠性。此外,謹慎的布板,使用專用驅動器如安森美半導體的NCP51820,及針對高低邊驅動器的一系列特性,確保GaN器件以最佳性能工作。


