【導讀】三相逆變器的定義是將直流電能轉換為交流電能的轉換器,其基本原理就是SPWM,硬件架構為四個功率模塊組成單相、三相橋式電路,橋式輸出至負載間串接低通濾波元件,控制回路具有兩個信號產生源,一個是固定幅值的三角波(調制波)發生器,一個為正弦波發生器,利用三角波對正弦波進行調制,就會得到占空比按照正弦規律變化的方波脈沖列,調制比不同,一個正弦周期脈沖列數等于調制波頻率除以基博頻率)。再用方波脈沖列去控制上述橋式電路,在輸出上就得到了符合要求的正弦電壓電流了。
一、前言
三相逆變是指轉換出的交流電壓為三相,即AC380V,三相電是由三個頻率相同、振幅相等、相位依次互差120度的交流電勢組成。
三相逆變器的定義是將直流電能轉換為交流電能的轉換器,其基本原理就是SPWM,硬件架構為四個功率模塊組成單相、三相橋式電路,橋式輸出至負載間串接低通濾波元件,控制回路具有兩個信號產生源,一個是固定幅值的三角波(調制波)發生器,一個為正弦波發生器,利用三角波對正弦波進行調制,就會得到占空比按照正弦規律變化的方波脈沖列,調制比不同,一個正弦周期脈沖列數等于調制波頻率除以基博頻率)。再用方波脈沖列去控制上述橋式電路,在輸出上就得到了符合要求的正弦電壓電流了。
二、產品應用及工作原理
三相逆變器是電力用大功率逆變電源,主要用于軍隊、通信、工廠和企業不間斷電源系統。
三相逆變器的工作原理是:它包括三個單相逆變開關,每個開關都可以連接到負載端。對于基本控制系統,三個開關的損傷可以同步,以便單個開關在基本O/P波形的每60度處工作,從而創建包括六步線到線O/P波形。
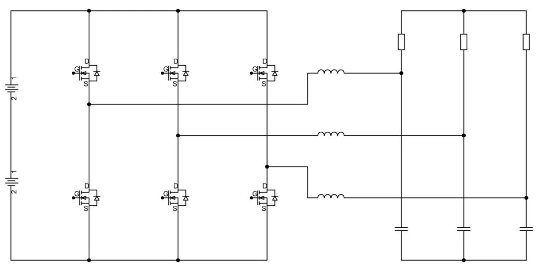
三、典型應用拓撲圖
如上圖所示:其主要作用是將直流輸入變為三相交流輸出,一個基本的三相逆變器包括3個單相逆變器開關,其中每個開關都可以連接到3個負載端子之一。
四、應用線路及選型
碳化硅(SiC)技術比傳統的硅(Si)、絕緣柵雙極晶體管(IGBT)等技術具有更多的優勢,進而可實現更高的功率密度、可靠性和效率。
三相逆變器使用SiC解決方案,逆變電路的拓撲結構得到簡化并提高了功率密度。
三相逆變器推薦使用瑞森半導體SiC-MOS系列,選型如下:
免責聲明:本文為轉載文章,轉載此文目的在于傳遞更多信息,版權歸原作者所有。本文所用視頻、圖片、文字如涉及作品版權問題,請聯系小編進行處理。
推薦閱讀:
克薩重磅發布高性能超輕薄、帶有四個分布式CAN模塊的緊湊型嵌入式通訊卡
學子專區—ADALM2000實驗:集成駐極體麥克風的音頻放大器





