【導讀】本文為大家介紹一款汽車電子密碼鎖電路圖設計,該電路具體設計如下:ICl為專用密碼鎖集成電路5G058,它的①~⑥腳分別外接按鍵開關到電源正極,這是6個有效輸入鍵,開鎖必須遵照Sl~S6這一順序...
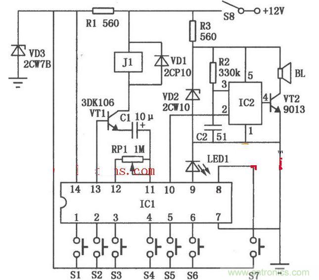
汽車電子密碼鎖電路圖:汽車電子密碼鎖的電路原理如圖所示。ICl為專用密碼鎖集成電路5G058,它的①~⑥腳分別外接按鍵開關到電源正極,這是6個有效輸入鍵,開鎖必須遵照Sl~S6這一順序;⑧腳所接按鍵開關S7是假鍵輸入端,可以隨意接一個或幾個按鍵混插在鍵盤中以假亂真;⑨腳是按鍵指示端,每個按鍵連通期間都會使外接發光二極管LEDl發光,確認該鍵輸入為有效;⑩腳是報警輸出端,如果不是按Sl~S6順序輸入或超過有效開鎖時間,則輸出高電平,觸發IC2防盜報警語言集成電路SR8803A工作而使揚聲器BL發出語言報警。汽車電子密碼鎖電路圖,有效開鎖時間由電容C1與電位器RPl的大小來決定。



