【導讀】對于許多設計人員來說,反激拓撲是低性能、低效率和差的交叉調節的同義詞。為了充分發揮這種拓撲的潛力,需要很好地理解它的許多不那么明顯的微妙之處。本篇文章主要先介紹反激變換器基礎知識回顧。
對于許多設計人員來說,反激拓撲是低性能、低效率和差的交叉調節的同義詞。為了充分發揮這種拓撲的潛力,需要很好地理解它的許多不那么明顯的微妙之處。本篇文章主要先介紹反激變換器基礎知識回顧。
一、能量傳輸
反激式轉換器首先在主電源開關打開時將能量從輸入源存儲到變壓器中。當開關關閉時,變壓器電壓反轉,正向偏置輸出捕捉二極管并將能量輸送到輸出。
對于反激式拓撲,輸出可以是正的或負的(由變壓器極性點定義)。有兩種基本的能量傳輸工作模式。第一種是連續導通模式 (CCM),當下一個導通周期開始時,存儲在反激變壓器中的部分能量仍保留在變壓器中。第二種模式是非連續導通模式 (DCM),其中存儲在變壓器中的所有能量在關斷期間轉移到負載。臨界導通模式 (CRM) 是第三種模式,也稱為過渡模式 (TM),它正好位于 DCM 和 CCM 之間的邊界處,發生在開關周期結束時存儲的能量剛好為零時。


圖1 CCM

DCM

圖2 TM
圖1和2圖示了CCM、DCM和TM工作模式。圖 3 說明了 CCM 和 DCM 工作時的電流。

圖3
DCM 工作時,當初級 MOSFET 導通時,初級電流從零開始并上升到峰值,該峰值可能是可比 CCM 應用中峰值電流的兩倍以上。關斷時,安匝數轉移到次級,次級電流降至零,并一直保持到下一個開關周期的開始。為 DCM 工作設計的反激變壓器需要比為 CCM 工作設計的反激變壓器更小的電感值,因為電流紋波 (ΔIL) 要高得多。在某些應用中,較低的電感可能會導致體積較小的變壓器;假設效率和熱性能仍然可以接受。
TM 模式與 DCM 類似,不同之處在于初級 MOSFET 在漏極電壓處于其最低電平時導通。這種時序提供了最小的導通損耗和更高效的工作,但是,開關頻率是可變的。
采用 CCM 時,電感值較大,電流和磁場的紋波分量相對較小。以下限制是可接受的初級峰值電流的良好工作折衷。

這也可用于定義效率和變壓器尺寸之間的適當權衡。忽略初級 MOSFET 導通時的損耗(見圖 1),初級電流以定義為的速率增加

其中 Vi 是輸入電壓,L 是在變壓器初級處測得的電感值,IL 是流經初級的電流(見圖 1 中的 IP),TS 是一個開關周期的時間段。
遵循相同的假設,當初級 MOSFET 關閉且變壓器電流已轉移到其次級繞組時,次級電流以公式 (2) 定義的速率下降,除非它變得不連續:

其中 Vo 是輸出電壓,n2 = N2/N1,ILS 是次級磁化電流(見圖 2 中的 Io)。
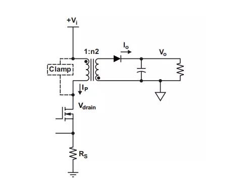
請注意,變壓器的初級側和次級側之間的耦合是不完美的,因為它們之間存在漏電感。在初級到次級的換向過程中,泄漏能量不能直接轉移到次級,因此必須被吸收。如果沒有一個鉗位電路,唯一的路徑的泄漏電感電流可以流通是通過充電MOSFET的寄生的漏極至源極電容。如果不采取預防措施,MOSFET 開關可能會被電壓擊穿損壞。圖 3 顯示了一個通用鉗位電路示例。后面我們會介紹鉗位電路相關內容。
請注意在 CCM、DCM 和 TM 中變壓器每一側的電流的不連續特性。與降壓或升壓等其他無變壓器拓撲相比,這是一個根本區別。變壓器兩側的高紋波電流直接影響輸出電壓紋波、效率和差模傳導 EMI。
此外,盡管變壓器兩側存在電流不連續性,但在 CCM 下運行通常比在 DCM 下運行會產生更好的效率。 DCM 中較高的 rms 電流是支持這一事實的一個原因,因為這意味著 MOSFET、初級和次級電容器以及初級鉗位的耗散更高。然而,由于 DCM 操作的電感值較低,因此物理尺寸相同的變壓器在 DCM 操作中的傳導損耗可能比設計用于 CCM 操作的變壓器要小,即使其 rms 電流更高。在某些交流線路應用和操作條件下,TM 操作可能能夠提供與 CCM 相似甚至更好的效率。考慮到磁場的大交流分量,在 DCM(和 TM)下運行時還必須考慮磁芯損耗。CCM 操作通常對應于較低的交流磁場;因此,設計變壓器時的主要限制是磁芯飽和而不是磁芯損耗。
在 DCM 中,傳輸的能量由導通時間、輸入電壓和電感值決定。在每個循環中總是有一個完整的能量轉移,定義為:

其中 PDCM 是 DCM 中的負載功率,L 是在變壓器初級測得的電感值,D 是控制開關占空比,而 Freq 是開關頻率。
這也意味著在 DCM 中,以下占空比公式取決于負載電流和輸入電壓:

相反,在 CCM 中,占空比方程為:

二、控制方面
反激拓撲的特點之一是能量僅在控制開關關斷期間傳遞給負載;在 ON 時間內任何控制動作的效果都會延遲到下一次開關關閉。例如,為了響應導致輸出電壓降低的負載階躍增加,控制器增加導通時間以增加變壓器中存儲的能量。增加 ON 時間實際上減少了 OFF 時間。如果有 CCM 模式,在最初的幾個周期中傳遞給負載的能量減少,初始反應導致更大的輸出電壓降。只有在來自較長導通時間的能量在幾個周期內轉移到負載后才能恢復到調節狀態。在小信號分析建模中,這種狀態被稱為右半平面零 (RHPZ)。對于 RHPZ,相位隨著增益的增加而減小,在定義控制環路補償時必須考慮這一點。

圖4 輸入電壓和負載電流對 RHPZ 頻率影響的示例
圖 4 說明了輸入電壓和輸出負載電流對 RHPZ 頻率的影響。有關 RHPZ 的轉換器的一般規則是在最低輸入線電壓和最大負載下進行設計,將控制反饋環路的帶寬限制在 RHPZ 頻率的五分之一左右。RHPZ 方程為:

即使在 DCM 模式中,RHPZ 也存在,但通常不是問題,DCM模式中通常超過開關頻率的一半。
控制反激拓撲操作的兩種最流行的方法是電壓模式控制 (VMC) 和峰值電流模式控制 (CMC)。CMC 使用磁化電流來定義占空比,而 VMC 不使用。在 CCM 下運行時,由于變壓器的電感和輸出電容器,使用 VMC 的設計具有相對低頻的雙極點。因此,它比峰值 CMC 更難補償,它基本上由驅動相同電容器的電流源組成。相反,當在 CCM 下運行時使用峰值 CMC 時,必須進行斜率補償以避免當工作占空比超過甚至接近 50% 時出現次諧波振蕩。 這通常是通過向電流反饋信號添加外部斜坡來實現的,從而創建復合信號。
綜上,我們對反激變換器的模式進行了對比分析。

對于幾種模式中的相關技術點,我們在后文會詳細論述。
(來源:電源網星球號,作者:electronicLee)
免責聲明:本文為轉載文章,轉載此文目的在于傳遞更多信息,版權歸原作者所有。本文所用視頻、圖片、文字如涉及作品版權問題,請電話或者郵箱editor@52solution.com聯系小編進行侵刪。
推薦閱讀:






