【導讀】目前拉桿音箱或汽車音頻系統采用12V鉛酸電池為主要電源、由于電壓的限制,音箱的輸出功率很難有實質的提升。超過50W的功率現階段市場上主要采用升壓+TPA3116的升壓音頻解決方案,因TPA3116的最高工作電壓為26V,考慮到可靠性升壓至24V,輸出4歐65W(THD1%)。
引言
目前拉桿音箱或汽車音頻系統采用12V鉛酸電池為主要電源、由于電壓的限制,音箱的輸出功率很難有實質的提升。超過50W的功率現階段市場上主要采用升壓+TPA3116的升壓音頻解決方案,因TPA3116的最高工作電壓為26V,考慮到可靠性升壓至24V,輸出4歐65W(THD1%)。隨著技術進步及競爭加劇,市場對功率及音質的要求也越來越高,深圳市永阜康科技有限公司推出基于CS8683+FP5207、12V升30V大功率2x100W雙聲道D類音頻功放升壓組合解決方案,為音頻愛好者提供極致的音質體驗。
CS8683H輸出功率曲線圖:
方案簡介
此方案大致分為兩個主要級:
1、采用FP5207非同步升壓控制器。此設計10V-15V輸入電壓,實現30V輸出,并且能夠為負載提供8A持續電流;
FP5207腳位定義圖以及管腳說明
2、采用CS8683兩顆大功率單聲道D類音頻功放IC(單聲道100W用一顆),30V提供2*100W/4歐 ( THD+N=1%)持續功率輸出;
CS8683H腳位定義圖以及管腳說明
應用信息
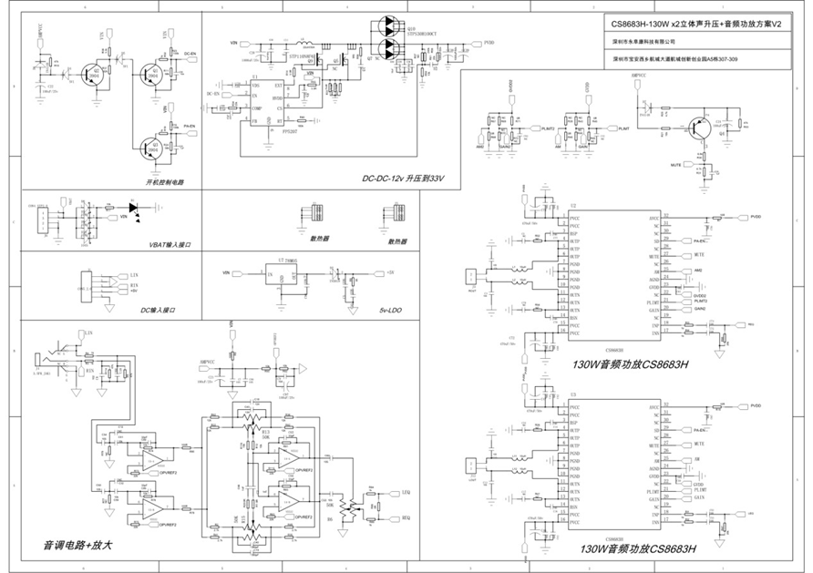
1.CS8683H+FP5207 DEMO板原理圖
2.CS8683H+FP5207 DEMO板PCB頂層設計圖
3.CS8683H+FP5207 DEMO板PCB底層設計圖
4.CS8683H+FP5207 DEMO板貼片圖
5.CS8683H+FP5207 DEMO板物料清單
6. CS8683H+FP5207 DEMO板3D布局圖正面
7. CS8683H+FP5207 DEMO板3D布局圖反面
8. CS8683H+FP5207 DEMO板實物圖
免責聲明:本文為轉載文章,轉載此文目的在于傳遞更多信息,版權歸原作者所有。本文所用視頻、圖片、文字如涉及作品版權問題,請電話或者郵箱editor@52solution.com聯系小編進行侵刪。
推薦閱讀:


