【導讀】設計分立式儀表放大器 (IA) 與集成式 IA 的優點和缺點有很多,而且經常爭論不休。需要考慮的一些變量包括印刷電路板 (PCB) 面積、增益范圍、性能(隨溫度變化)和成本。本文的目的是比較三種雙電源 IA 電路:使用四路運算放大器 (op amp) 的分立式 IA、具有集成增益設置電阻器 (RG) 的通用 IA 和帶有外部 RG 的精密 IA。
本期,為大家帶來的是《對比雙電源分立式和集成式儀表放大器》,目的是比較三種雙電源 IA 電路:使用四路運算放大器 (op amp) 的分立式 IA、具有集成增益設置電阻器 (RG) 的通用 IA 和帶有外部 RG 的精密 IA。
引言
設計分立式儀表放大器 (IA) 與集成式 IA 的優點和缺點有很多,而且經常爭論不休。需要考慮的一些變量包括印刷電路板 (PCB) 面積、增益范圍、性能(隨溫度變化)和成本。本文的目的是比較三種雙電源 IA 電路:使用四路運算放大器 (op amp) 的分立式 IA、具有集成增益設置電阻器 (RG) 的通用 IA 和帶有外部 RG 的精密 IA。
雙電源電路
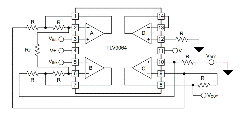
圖 1 是使用德州儀器 (TI) TLV9064 四路運算放大器電路的分立式雙電源 IA 的簡化原理圖。在此電路中,四個放大器通道中的三個(A、B 和 C)作為傳統的三運算放大器 IA連接。基準電壓 (VREF) 接地。由于第四個通道 D 沒有使用,因此它作為緩沖器通過一個電阻器連接到 1/2 Vs(接地)以實現瞬態穩定性。所有標有 “R” 的電阻值均為 10kΩ;RG 設置差分增益。差分輸入電壓為 VIN+ ? VIN–,輸出電壓為 VOUT。一些元件未顯示,例如負載電阻器 (10kΩ) 和去耦電容器。從封裝角度繪制所有電路說明了外部分立元件的數量。
圖 1. 使用四路運算放大器的分立式雙電源 IA
方程式 1 提供了該電路的傳遞函數:
方程式 1
當 PCB 面積和性能次于成本和增益范圍時,設計人員通常會選擇分立式 IA。之所以選擇 TI 的 TLV9064IRUCR 運算放大器進行此次比較,因為它是一款軌到軌輸入/輸出器件 (RRIO),具有寬帶寬 (10MHz) 和低典型初始輸入失調電壓 (VOS(typ) = 300μV),并且采用小型封裝 (RUC = X2QFN =4mm2)。雖然 RUC/X2QFN 封裝中存在較便宜的 RRIO 四路運算放大器,但它們會影響帶寬和典型失調電壓。
為了與分立式 IA 的設計優先級保持一致,安裝了價格低廉的 ±1% 容差、±100ppm/°C 漂移電阻器。這些電阻器不僅初始值不同,而且可能會隨著溫度的變化而發生顯著漂移。由于 RG 是外部的,因此該配置的增益主要受運算放大器的輸入失調電壓限制。
圖 2 是 TI INA350ABS 的簡化原理圖,這是一款集成了 RG 的通用雙電源 IA。VREF 接地。該電路集成了 IA 中的所有電阻。差分輸入電壓為 VIN+ ? VIN–,輸出電壓為 VOUT。一些元件未顯示,例如負載電阻器 (10kΩ) 和去耦電容器。IA 的增益根據連接到引腳 1 的開關進行設置(開路 = 20V/V,閉合 = 10V/V)。在實際應用中,開關將不存在。要啟用該器件,請將引腳 8 (SHDN) 連接至 V+ 或使其懸空。
圖 2. 具有集成 RG 的通用雙電源 IA
方程式 2 提供了該電路的傳遞函數:
方程式 2
當設計人員需要平衡成本、性能和 PCB 面積時,通常會選擇此 IA。之所以選擇 INA350ABSIDSGR IA 進行本次比較,是因為它性價比高、性能高、采用小型封裝(主要DSG = WSON = 4mm2)、可選增益(10V/V 或 20V/V),并且具有低典型輸入失調電壓 (VOS(typ) = 200μV)。此實現無需外部元件。對于需要更高增益的設計,INA350CDS 的增益為 30V/V 或 50V/V。
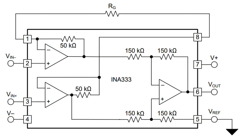
圖 3 是具有外部 RG 的 TI INA333 精密雙電源 IA 的簡化原理圖。VREF 接地。在該電路中,IA 集成了除 RG 之外的所有電阻。差分輸入電壓為 VIN+ ? VIN–,輸出電壓為 VOUT。一些元件未顯示,例如負載電阻器 (10kΩ) 和去耦電容器。
圖 3. 具有外部 RG 的精密雙電源 IA
方程式 3 提供了該電路的傳遞函數:
方程式 3
當性能具有最高優先級時,設計人員通常會使用精密 IA。之所以選擇 INA333AIDRGR 精密 IA 進行本次比較,是因為它電壓低 (5V),具有出色的精度 (G = 1 V/V, VOS(typ) = 35μV),并且采用小型封裝 (DRG = WSON = 9mm2)。整個溫度范圍內的性能取決于所選擇的外部 RG。因此,為了與主要設計優先事項(性能)保持一致,我們使用了精密 RG 來提供增益 10V/V(±0.05%,±10 ppm/°C)。由于集成了精密運算放大器,因此該實現具有出色的增益范圍(1V/V 至 1,000V/V)。然而,考慮到集成精密運算放大器和所需的精密 RG,總體成本通常高于其他兩種解決方案。
PCB 布局
一個專門為此比較而設計的 PCB 在一個圓形區域中包含上述三個電路,溫度強制單元的噴嘴將安裝在該區域上。向每個電路提供相同的輸入信號時非常小心,以減輕對“泄漏”的擔憂。每個輸出均單獨布線以確保隔離。
圖 4 展示了每個 IA 電路的簡化布局,以比較每個解決方案的相對大小,包括去耦電容器。出于比較目的,使用了最小的器件封裝,以及 0402 封裝中的電阻器和電容器。
圖 4. 雙電源 IA 電路的簡化 PCB 布局比較
如您所見,離散 IA 實現明顯大于兩個集成解決方案。憑借集成的 RG 和更小的內核尺寸,通用 IA 布局的尺寸幾乎是精密 IA 布局的一半。
測量結果
增益和失調電壓誤差用來衡量每個電路在整個溫度范圍內的相對性能。作為基線測量,精密雙電源 IA 的增益為 1V/V(RG =開路)。對于每次掃描,輸入信號都會被縮放,以使輸出電壓范圍為 –2V 至 +2V。
表 1 描述了在整個溫度范圍內 G = 1V/V 時,精度 IA 的基線增益和失調電壓誤差。該表包含數據表在 25°C 時的典型增益和失調電壓誤差值,以驗證測量系統。
表 1. 精密 IA 增益和失調電壓誤差與溫度間的關系 (G = 1V/V)。
表 2 描述了在整個溫度范圍內增益為 10V/V 時,所有 IA 的增益和失調電壓誤差(參考了輸出 [RTO])。綠色陰影表示每個溫度下性能最高的實現
表 2. 增益和失調電壓誤差 (RTO) 與溫度的關系(增益 = 10V/V)
表 1 和表 2 顯示,從性能的角度來看,如果沒有外部 RG,精密的雙電源 IA 優于所有其他解決方案。從增益誤差的角度來看,通用和精密 IA 解決方案相當。這主要是因為 G = 10V/V 精密 IA 實現需要外部 RG,而通用解決方案集成了 RG。在查看失調電壓誤差時,精密 IA 解決方案顯然是最準確的,而通用失調電壓誤差約為離散解決方案的一半。總體而言,與兩種集成解決方案相比,分立式 IA 的性能明顯較差。
結論
雖然許多設計人員通常在低成本應用中實施分立式解決方案,但新的通用 IA(例如,TI 的 INA350)可能會產生更低的總體成本和更好的性能。根據增益的不同,精密 IA(如 INA333)可以提供卓越的性能和增益范圍,盡管外部 RG 是重要的性能因素,尤其是在整個溫度范圍內。
表 3 對比較結果進行了總結。
表 3. 雙電源 IA 電路解決方案比較
下次設計雙電源 IA 時,請考慮本文概述的權衡取舍。對于需要最高精度的應用,精密 IA 是必然的選擇。對于需要經濟高效的性能的應用,選擇不再像構建分立式 IA 那么簡單。新的通用 IA 可以提供比分立式解決方案明顯更好的性能,同時占用更少的 PCB 面積并降低系統成本。
免責聲明:本文為轉載文章,轉載此文目的在于傳遞更多信息,版權歸原作者所有。本文所用視頻、圖片、文字如涉及作品版權問題,請聯系小編進行處理。
推薦閱讀:
芝識課堂【CMOS邏輯IC的使用注意事項】—深入電子設計,需要這份指南(一)
無輔助繞組 GaN 反激式轉換器如何解決交流/直流適配器設計難題
DigiKey和MediaTek強強聯合,開啟物聯網邊緣AI和連接功能新篇章






