【導讀】在工業自動化、電力監控等復雜環境中,模擬前端(AFE)的運算放大器時常需要直面一個嚴峻挑戰:輸入電壓瞬態超越其供電電源軌。這種過壓情況,即便持續時間短暫,也極易導致傳統運放內部二極管導通,引發性能劣化甚至永久性損壞。雖然可通過外部分立元件(如二極管、限流電阻)搭建保護電路,但這種方法會引入漏電流、增加噪聲與板面積,并非最優解。本文將深入剖析一種更集成的解決方案——采用Over-The-Top(OTT)技術的放大器(如ADA4098-1/ADA4099-1),闡述其如何憑借獨特內部結構,在不犧牲精度與簡潔性的前提下,提供高達80V的過壓耐受能力。
在工業自動化、電力監控等復雜環境中,模擬前端(AFE)的運算放大器時常需要直面一個嚴峻挑戰:輸入電壓瞬態超越其供電電源軌。這種過壓情況,即便持續時間短暫,也極易導致傳統運放內部二極管導通,引發性能劣化甚至永久性損壞。雖然可通過外部分立元件(如二極管、限流電阻)搭建保護電路,但這種方法會引入漏電流、增加噪聲與板面積,并非最優解。本文將深入剖析一種更集成的解決方案——采用Over-The-Top(OTT)技術的放大器(如ADA4098-1/ADA4099-1),闡述其如何憑借獨特內部結構,在不犧牲精度與簡潔性的前提下,提供高達80V的過壓耐受能力。
OTT技術核心:雙輸入級協同工作
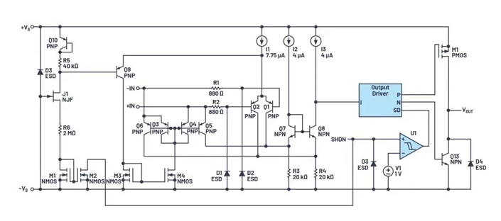
OTT放大器的過人之處在于其精巧的雙輸入級架構。以ADA4098-1為例,其內部包含兩個互補的PNP晶體管輸入級:
主差分輸入級:負責處理從負電源軌(-VS)到略低于正電源軌(約+VS - 1.25V)的正常工作信號。
共基極輸入級(OTT級):當輸入共模電壓接近或超過+VS時,該級被激活,放大器進入“Over-The-Top”模式。
這種設計確保了無論輸入信號處于正常范圍還是遭遇高壓瞬變,放大器始終有相應的電路進行處理。當輸入電壓遠超+VS時,OTT模式能使放大器輸出飽和至+VS,同時內部電路能安全承受高達80V的差?;?0V的共模電壓。一旦過壓消失,放大器能瞬間恢復線性工作,且直流精度不受影響。

圖1. 內部結構的簡化表示(取自ADA4098-1)。
典型應用場景與設計要點
OTT放大器尤其適合易出現過壓場景的信號調理,例如:
高邊電流檢測:在電機驅動或電源管理中,負載突變可能引起檢測電阻兩端電壓瞬間超過運放供電軌。OTT放大器能有效抵御此沖擊。
4mA至20mA電流環接收器:長線傳輸中可能感應高壓浪涌,OTT特性可為接收端提供內在保護。
傳感器接口:靠近動力線的傳感器信號可能串入高壓噪聲。

圖2. 采用ADA4098-1的電流測量示例。
在設計時需注意:
增益設置:通常由外部反饋電阻網絡決定,需選擇適當精度(如1%)以減小輸入偏置電流引起的誤差。
容性負載驅動:若需驅動較大容性負載,可在輸出端串聯小電阻(如50Ω)以增強穩定性。
關斷模式:ADA4098-1提供SHDN引腳,關斷后輸出呈高阻態,但OTT保護功能依然有效。
結論:集成化保護提升系統可靠性
面對工業環境中的過壓風險,Over-The-Top放大器提供了一種高度集成、魯棒性強的保護方案。它通過內部雙輸入級智能切換,省去了復雜的外部保護電路,不僅節省了PCB空間,更避免了引入額外漏電流和噪聲,同時確保了信號鏈的測量精度與長期可靠性。對于追求高穩健性的工業AFE設計而言,ADA4098-1與ADA4099-1等OTT放大器是實現過壓保護的理想選擇。
推薦閱讀:




