中心議題:
- 對功率MOSFET的要求
- MOSFET的損耗計算
- MOSFET主要參數的選取
- MOSFET選擇應用實例
解決方案:
- 美信公司的MAX8720單相降壓式DC/DC控制器的MOSFET損耗計算
- 飛兆公司的多相降壓式DC/DC控制器FAN5019B的MOSFET損耗計算
- 選擇Vishay公司的Si7390DP作NH
同步整流降壓式DC/DC轉換器都采用控制器和外接功率MOSFET的結構。控制器生產商會在數據資料中給出參數齊全的應用電路,但用戶的使用條件經常與典型應用電路不同,要根據實際情況改變功率MOSFET的參數。
對功率MOSFET的要求
同步整流降壓式DC/DC轉換器的輸入及輸出部分電路如圖1所示,它是由帶驅動MOSFET的控制器及外接開關管(Q1)及同步整流管(Q2)等組成。目前,Q1和Q2都采用N溝道功率MOSFET,因為它們能滿足DC/DC轉換器在輸入電壓、開關頻率、輸出電流及減少損耗上的要求。

圖1 同步整流降壓式DC/DC轉換器的輸入及輸出部分電路簡圖
開關管與同步整流管的工作條件不同,其損耗也不一樣。開關管有傳導損耗(或稱導通損耗)和柵極驅動損耗(或稱開關損耗),而同步整流管只有傳導損耗。
傳導損耗是由MOSFET的導通電阻RDS(on)造成的,其損耗與i2D、RDS(on)及占空比大小有關,要減少傳導損耗需要選用RDS(on)小的功率MOSFET。新型MOSFET的RDS(on)在VGS=10V時約 10mΩ左右,有一些新產品在VGS=10V時可做到RDS(on)約2~3mΩ。
柵極驅動損耗是在開關管導通及關斷瞬間,在一定的柵源電壓VGS下,對MOSFET的極間電容(如圖2所示)進行充電(建立VGS電壓,使MOSFET導通)和放電(讓VGS=0,使MOSFET關斷)造成的損耗。此損耗與MOSFET的輸入電容Ciss或反饋電容Crss、柵極驅動電壓VGS及開關頻率fsw成比例。要減小此損耗,就要選擇Ciss或Crss小、閾值電壓VGS(th)低的功率MOSFET。

圖2 MOSFET的極間電容
[page]
同步整流管也是工作在開關狀態(其開關頻率與開關管相同),但因同步整流管工作于零電壓(VGS≈0V)狀態(如圖3所示),其開關損耗可忽略不計。

圖3 同步整流管導通時,VDS≈0V
為滿足DC/DC轉換器的工作安全、可靠及高效率,所選的功率MOSFET要在一定的柵極驅動電壓下滿足以下的條件:MOSFET的耐壓要大于最大的輸入電壓,即VDSS>Vin(max) ;MOSFET的漏極電流要大于或等于最大輸出電流,即ID≥IOUT(max);選擇Ciss或Crss盡量小的開關管,選擇RDS(on)盡量小的同步整流管,使MOSFET的損耗最小,并滿足其損耗值小于PD(PD為一定條件下的MOSFET允許耗散功率)。另外,還要選擇價格適中、封裝尺寸小的(如SO-8、DPAK或D2PAK封裝)貼片式MOSFET。
MOSFET的VDSS、ID及RDS(on)等參數可直接從MOSFET的樣本或數據資料中找到,而其損耗則要在一定條件下經計算才能確定。
MOSFET的損耗計算
DC/DC控制器生產廠家在數據資料中給出開關管及同步整流管的損耗計算公式,其中開關損耗的計算往往是經驗公式,因此各DC/DC控制器生產廠家的公式是不相同的,要按該型號資料提供的損耗公式計算,否則會有較大的計算誤差。
損耗計算的方法是,根據已知的使用條件先初選一個功率MOSFET,要滿足VDSS>Vin(max)、ID≥IOUT(max)、Ciss或Crss小、RDS(on)小的要求,然后按公式計算其損耗。若計算出來的損耗小于一定條件下的PD,則計算有效,可選用初選的功率MOSFET;若計算出來的損耗大于PD,則重新再選擇或采用兩個功率MOSFET并聯,使1/2(計算出來的損耗) 計算前要已知:輸入電壓VIN(或 Vin(max)及VIN(min))、輸出電壓VOUT、最大輸出電流IOUT(max)、開關頻率fsw。一般所選的MOSFET的PD往往是1~1.5W,其目的是減小損耗、提高效率。
本文介紹美信公司的MAX8720單相降壓式DC/DC控制器及飛兆公司的多相降壓式DC/DC控制器FAN5019B組成的電路中的MOSFET損耗計算。損耗計算公式是非常簡單的,關鍵是如何從MOSFET樣本或數據資料中正確地選取有關參數。
MOSFET主要參數的選取
ID及PD值的選取
MOSFET的資料中,漏極電流ID及允許耗散功率PD值在不同條件下是不同的,其數值相差很大。例如,N溝道功率MOSFET IRF6617的極限參數如表1所示。
表1 連續工作狀態下的極限值

最大漏極電流IDM=120A(以最大結溫為限的脈沖狀態工作)。
不同的MOSFET生產廠家對ID及PD的表達方式不同。例如,安森美公司的NTMFS4108N的ID及PD參數如表2所示。
表2最大極限值(Tj=25℃,否則另外說明)

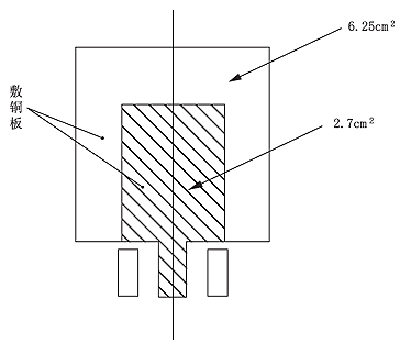
注:*安裝條件1為MOSFET安裝在敷銅鈑面積為6.5cm2的焊盤上(見圖4)
**安裝條件2為MOSFET安裝在敷銅鈑面積為2.7cm2的焊盤上(見圖4)
最大漏電流IDM=106A(脈沖狀態,Tp=10μs)。
在DC/DC轉換器中,MOSFET工作在占空比變化的脈沖狀態,但也不是工作于窄脈沖狀態;工作溫度范圍是-40~85℃。表1、表2中無這種工作條件下的ID及PD值。ID可在下面的范圍內選取:(TA=70~85℃時的ID)
[page]
RDS(on)值的選取
MOSFET資料中給出結溫Tj=25℃及VGS=10V及VGS=4.5V時的典型 RDS(on)值及最大RDS(on)值。另外,RDS(on)也隨結溫上升而增加。一般RDS(on)是在已知的VGS條件下(由驅動器或控制器的VCC決定),取RDS(on)最大值為計算值。
Ciss及Crss的選取
在計算開關管損耗時要用到輸入電容Ciss(Ciss=CGD+CGS)或反饋電容Crss(Crss=CGS)值。為減小開關損耗,要選擇Ciss或Crss小的MOSFET。Ciss一般為上千到數千pF,而Crss一般為幾十到幾百pF。“MOSFETT選擇指南”或“簡略表”中往往沒有Ciss或Crss參數,但有總柵極電容Qg值。由于Qg小的MOSFET,其Ciss或Crss也小。所以可先找出Qg小的MOSFET型號,然后再在數據資料中找出Ciss或Crss值。有的數據資料的參數表中無Ciss或Crss參數,但有Ciss和Crss與VDS的特性曲線,可取VDS=15V時的Ciss或Crss值作為計算值,如圖5所示。

圖4 MOSFET焊盤(敷銅板)尺寸

圖5 Ciss和Crss與VDS的特性曲線
應用實例
MAX8720電路中的MOSFET選擇
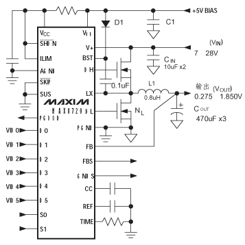
由MAX8720組成的降壓式DC/DC轉換器電路如圖6所示。現使用條件為VIN=7~24V、VOUT=1.25V、IOUT(max)=15A、fsw=300kHz,控制器的工作電壓(偏置電壓)VCC=5V,選合適的開關管(NH)及同步整流管(NL)。

圖6 由MAX8720組成的降壓式DC/DC電路
[page]
初選Vishay公司的Si7390DP作NH(其Qg僅10nC);Si7356DP作NL (RDS(on)=4mΩ)。其封裝都是8引腳、有散熱墊的SO-8封裝,主要參數如表3所示。
表3

注:*由特性曲線中求得;**印制板焊盤面積最小的值。
開關管傳導損耗PD(NHR)計算
PD(NHR)=(VOUT/VIN(min))(IOUT(max))2×RDS(on)
=(1.25V/7V)×15A2×13.5mΩ
=0.54W
開關管的柵極驅動損耗PD(NHS)計算
PD(NHS)=[(Vin(max))2×Crss×fsw×IOUT]/IGATE
=[24V2×130pF×300kHz×15A]/2A
=0.168W
式中柵極電流IGATE的數據是MAX8720數據資料中給出的。
開關管的總損耗PD(NH)為
PD(NH)=PD(NHR)+PD(NHS)
=0.54W+0.168W
=0.708W<1.1W
同步整流管的傳導損耗PD(NLR)計算
PD(NLR)=[1-(VOUT/Vin(max))]×(IOUT(max))2×RDS(on)
=[1-(1.25V/24V)]×15A2×4mΩ
=0.85W<1.9W
根據上述計算,滿足計算的損耗值
FAN5019B電路中的MOSFET選擇
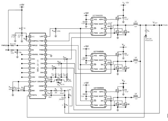
由控制器FAN5019B及3個驅動器FAN5009組成的三相同步整流降壓式DC/DC轉換器電路如圖7所示。現使用條件:VIN=VCC=12V(VCC是供控制器及驅動器的工作電壓),VOUT=1.5V,IO=65A(IO即IOUT(max)),fsw=228kHz,選擇開關管及同步整流管(采用兩個并聯組成)。

圖7 由FAN5019B組成的降壓式DC/DC電路
初選快速開關管FDD6696為開關管(其Qg為17nC),同步整流管選FDD6682(其RDS(on)=11.9mΩ)。其主要參數如表4所示。
表4

注:*PD與PCB的敷銅板面積有關,此為面積最小值。
開關管傳導損耗PC(MF)計算
PC(MF)=D[(IO/nMF)2+1/12(n×IR/nMF)2]×RDS(on)
式中D為占空比(D=VIN/VOUT) ;IR為紋電流(IR=1/n×IO×40%);nMF為總的開關管數;n為相數;IO=IOUT(max)。IR計算得IR=8.66A,代入公式:
PC(MF)=15V/12V[(65A/3)2+1/12(3×8.66A/2)2]×15mΩ=0.89W
開關管的柵極驅動損耗PS(MF)計算
PS(MF)=2fsw×VCC×(IO/nMF)×RG×(nMF/n)×Ciss
=2×228kHz×12V(65A/3)×3Ω×(3/3)×2058pF
=0.73W
式中RG是柵極電阻(這包括MOSFET的柵極電阻及驅動器內阻)。高速開關管的RG典型值為1Ω,驅動器FAN5009的內阻約2Ω,故RG取3Ω。
開關管的總損耗=0.89W+0.73W =1.62W,略大于FDD6696的允許耗散功率。由于允許耗散功率是敷銅板最小面積下的PD值,因此只要PCB有較大的焊盤,則這0.02W可略而不計。同步整流管傳導損耗PSF計算
PSF=(1-D)[(IO/nSF)2+1/12(nIR/nSF)2] RDS(on)
=(1-1.5V/12V)[(65A/6)2+1/12(3×8.66A/6)2]×11.9mΩ
=1.24W<1.6W
式中NSF為同步整流管的總數。
通過上述計算,選用3個FDD6696做開關管及6個FDD6682做同步整流管組成的電路可滿足VIN=VCC=12V、VOUT=1.5V、IOUT(max)=65A、fsw=228kHz的使用要求。






