【導讀】PCB layout的意思是:印刷電路板,又稱印制電路板,作為電子元件的載體,實現了電子元器件之間的線路連接和功能實現。傳統的電路板工藝,采用了印刷蝕刻阻劑的工法,做出電路的線路及圖面,因此被稱為印制電路板或印刷線路板。
1.貼片之間的間距

貼片之間的間距既不能太大(浪費電路版面),也不能太小,避免焊錫膏印刷粘連以及焊接修復困難。
間距大小可以參考如下的規范:
■ 相同器件:≥ 0.3mm
■ 不同器件:≥ 0.13×h+0.3mm(h為周圍近鄰與器件最大高度差)
■ 手工焊接和貼片時,與器件之間的距離要求:≥ 1.5mm。
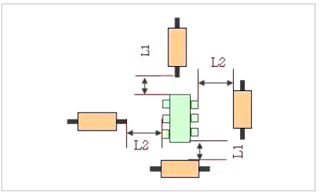
2、直插器件與貼片的距離

如上圖,直插式電阻器件與貼片之間應保持足夠的距離,建議在1-3mm之間,由于加工比較麻煩現在用直插件的情況已經很少了。不過電路板外接插座往往都是直插件。
3、對于IC的去耦電容的擺放

每個IC的電源端口附近都需要擺放去耦電容,且位置盡可能靠近IC的電源口,當一個芯片有多個電源口的時候,每個接口都要布置去耦電容。
4、PCB板邊沿的元器件擺放方向與距離

由于一般都是用拼板來做PCB,因此在邊沿附近的器件需要符合兩個條件。
第一就是與切割方向平行(使器件的機械應力均勻,比如如果按照上圖左邊的方式來擺放,在拼板要拆分時貼片兩個焊盤受力方向不同可能導致元元件與焊盤脫落)
第二就是在一定距離之內不能布置器件(防止板子切割的時候損壞元器件)
5.相鄰焊盤相連

如果相鄰的焊盤需要相連,首先確認在外面進行連接,防止連成一團造成橋接,同時注意此時的銅線的寬度。
6、焊盤落在鋪地區域

如果焊盤落在鋪通區域應該采取右邊的方式來連接焊盤與鋪通,另根據電流大小來確定是連接1根線還是4跟線。
如果采取左邊的方式的話,在焊接或者維修拆卸元器件時比較困難,因為溫度通過鋪的銅把溫度全面分散導致焊接困難。
7、焊盤淚滴

如果導線比直插器件的焊盤小的話需要加淚滴上圖左邊的方式。
加淚滴有如下幾個好處:
(1) 避免信號線寬突然變小而造成反射,可使走線與元件焊盤之間的連接趨于平穩過渡化。
(2) 解決了焊盤與走線之間的連接受到沖擊力容易斷裂的問題。
(3) 設置淚滴也可使PCB電路板顯得更加美觀。
8、元器件引線寬度一致

9、保留未使用引腳焊盤

比如上圖一個芯片其中兩個引腳不要使用的情況,但是芯片實物引腳是存在的,如果像上圖右邊的方式兩引腳就處于懸空狀態很容易引起干擾。
如果芯片引腳本身內部屬于未連接(NC),加上焊盤再把焊盤接地屏蔽能避免干擾。
10、避免焊盤上打過孔

11、導線與PCB板邊緣距離

注意的是引線或元器件不能和板邊過近尤其是單面板,一般的單面板多為紙質板,受力后容易斷裂,如果在邊緣連線或放元器件就會受到影響。
12、電解電容遠離熱源
首先要考慮電解電容的環境溫度是否符合要求,其次要使電容盡可能的遠離發熱區域,以防電解電容內部的液態電解質被烤干。

免責聲明:本文為轉載文章,轉載此文目的在于傳遞更多信息,版權歸原作者所有。本文所用視頻、圖片、文字如涉及作品版權問題,請聯系小編進行處理。
推薦閱讀:






