中心論題:
- LED應用范圍的日益擴大對其驅動電路有了更高的要求
- 波紋電流是影響LED性能的主要原因
- LED驅動電路的性能主要取決于開關穩壓器和關閉控制環路的結構
解決方案:
- 根據輸入電壓和輸出電壓之間的關系采用不同的電路拓撲結構驅動LED
- 要根據輸出濾波器的配置決定關閉環路的復雜性
- 通過電流波形的脈寬調制 (PWM)可以實現對LED的有效調光
引言
隨著生產成本的降低,LED的應用范圍越來越廣,包括手持終端設備、車載以及建筑照明。高可靠性、極佳的效率以及瞬態響應能力使得它們成為很好的光源。盡管白熾燈泡的成本很低,但是多次更換白熾燈泡也將是一筆很大的開銷。路燈就是個很好的例子,完成此項工作需要一組工作人員及一輛卡車對故障燈泡進行更換。因此,在此類應用中,使用 LED 可以大大降低成本。雖然 LED 和白熾燈泡的效率幾乎相同,但在路燈應用中,有時會因為一些原因,用 LED 代替白熾燈泡,這樣不但可以提高可靠性,而且還能節省能源。
白熾燈泡可以發出各種各樣的光線,但是在具體的應用中,通常只需要綠色、紅色以及黃色光線——例如交通信號燈。若要使用白熾燈泡,則需要一個濾波器,這會浪費掉 60% 的光能,而 LED 則可以直接產生所需顏色的光線,并且在上電時,LED 幾乎是瞬間發光,而白熾燈則需要 200ms的響應時間。因此,在剎車燈設計中采用了 LED。另外,LED 將作為光源在 DLP 視頻應用中使用,以替代機械匯編 (mechanical assembly),其可進行高頻率的切換。
LED的I-V 特性
圖 1 顯示了典型 InGaAlP LED(黃色和琥珀紅)的正向電壓特性。也可以把 LED 作為電壓源與電阻串聯建模,并查看模型與實際測量之間的良好關聯性。電壓源有一個負的溫度系數,當結溫上升時,電壓源的正向電壓會發生負的變化。InGaAlP LED的系數在-3.0mV/K~-5.2mV/K 之間,而 InGaN LED(藍色、綠色和白色)的系數則在-3.6mV/K~-5.2mV/K 之間。這就是為什么不能直接對 LED 進行并聯的原因。產生熱量最多的器件需要更大的電流,更大的電流會產生更多的熱量,進而引起散熱失控。

圖1 LED作為電阻與電壓源串聯建模
圖2顯示了作為工作電流函數的相對光輸出(光通量)。很明顯,光輸出與二極管電流是密切相關的,因此,可以通過改變正向電流進行調光。并且,在電流較小時,曲線幾乎是一條直線,但是在電流增大時,其斜率變小了。這就是說,在電流較低的時候,若將二極管電流增大一倍,則光輸出也會增加一倍;但是電流較高的時候,情況就不是這樣了:電流上升 100% 僅能使光輸出量增加 80%。這一點很重要,因為 LED 是由開關電源驅動的,這會導致在 LED 中產生相當大的紋波電流。實際上,電源的成本在某種程度上是由所允許的電流大小決定的,紋波電流越大,電源成本就越低,但光輸出會因此受到影響。

圖2 電流超過 1A以上,LED效率就會降低
圖3量化顯示了疊加于 DC 輸出電流之上的三角紋波電流所引起的光輸出的減少。在絕大多數情況下,該紋波電流的頻率高于肉眼可以看到的 80Hz。并且,肉眼對光線的響應是指數式的,不能察覺出小于 20% 的光線減弱。因此,即使 LED 中出現相當大的紋波電流,也不會察覺出光輸出的減少。

圖3 紋波電流對LED光輸出的輕微影響
紋波電流也通過提高功耗而影響 LED 性能,這可能導致結溫升高,并對 LED 的使用壽命產生重大影響。
圖4 量化顯示了由于紋波電流造成的LED功耗的升高。與LED的散熱時間常量相比,由于紋波頻率較高,因此,高紋波電流(以及高峰值功耗)不會影響峰值結溫,它是由平均功耗確定的。LED的高壓降如一個電壓源,因此,電流波形對功耗沒有影響。不過,壓降有一個電阻分量,并且功耗由電阻乘以均方根 (RMS)電流的平方確定。

圖4 紋波電流增加了LED的功耗
圖4 也闡明了即使在紋波電流較大的時候,對功耗也沒有重大影響。例如,50%的紋波電流僅增加不足5%的功率損耗。當大大超過此水平時,需要減小電源的DC電流以保持結溫不變,從而維持半導體的使用壽命。經驗法則顯示,結溫每降低10%,半導體使用壽命就會延長兩倍。并且,許多設計都傾向于更小的紋波電流,這是因為電感器的限制。絕大多數電感的設計處理能力小于20%的Ipk/Iout紋波電流比率。
典型應用
LED 中的電流在很多情況下都是由鎮流電阻或線性穩壓器控制的。不過,本文主要講述的是開關穩壓器。在驅動 LED 時常用的三種基本電路拓撲為:降壓拓撲結構、升壓拓撲結構以及降壓/升壓拓撲結構。采用何種拓撲結構取決于輸入電壓和輸出電壓的關系。
在輸出電壓始終小于輸入電壓的情況下,應使用降壓穩壓器,圖5顯示了該拓撲結構。在該電路中,對電源開關的占空比 (duty factor) 進行了控制,以在輸出濾波器電感 L1 上確立平均電壓。當FET開關閉合時(TPS5430 內部),其將輸入電壓連接到電感器,并在L1中構建電流。D2為環流二極管 (catch diode),可提供開關斷開時的電流路徑。電感器可對流過LED的電流起到平滑的作用,該工作可通過用電阻監控(測量)LED電流,并將電壓與控制芯片內部的參考電壓進行比較,最終進行調節。如果電流太低,則占空比增加,平均電壓也上升,從而也導致了電流的升高。該電路具有極佳的效率,因為電源開關、環流二極管以及電流感測電阻上的壓降非常低。

圖5 降壓LED驅動器逐步降低輸入電壓
當輸出電壓總是比輸入電壓大時,最好采用升壓轉換電路,如圖6所示。該電路的U1有一個帶有控制電子器件的高度集成的電源開關。當開關閉合時,電流流過電感器到接地。當開關斷開時,U1的引腳 1 電壓會升高,直到D1導通。然后電感器放電,電流進入輸出電容器(C3)和LED串。在絕大多數應用中,C3通常用于平滑LED電流。如果沒有C3,則 LED電流將是斷斷續續的。也就是說,它會在零和電感電流之間切換,這會導致 LED 熱量增加(從而縮短使用壽命),亮度減少。在前面的例子中,LED 的電流是通過一個電阻感測的,并且占空比會發生相應的變化。請注意,本拓撲存在一個嚴重的問題,即它沒有短路保護電路。若輸出短路,則會有較大的電流通過電感器和二極管,從而導致電路失效,或者輸入電壓崩潰。

圖6 高度集成的升壓LED驅動器逐步升高輸入電壓
許多時候輸入電壓范圍變化很大,可以高于或低于輸出電壓,此時降壓拓撲和升壓拓撲結構就不起作用了。并且,可能在升壓應用中需要短路保護。在這些情況下,就需要使用降壓/升壓拓撲結構(見圖7)。當電源開關閉合、電感器有電流通過時,該電路就相當于升壓電路;當電源開關斷開時,電感器開始放電,電流進入輸出電容和 LED。不過,輸出電壓不是正的,而是負的。此外,請注意本拓撲中不存在升壓轉換電路中出現的短路問題,因為其通過使電源開關Q1開路,提供了短路保護功能。該電路的另一個特性是,雖然它是一個負的輸出,但并不需要對傳感電路的電平進行切換。在本設計中,控制芯片接地到負的輸出,并且可直接測量電流感測電阻R100上的電壓。盡管本例中僅顯示了一個LED,但是通過串聯可以連接許多LED。電壓的上限是控制芯片的最大額定電壓;輸入電壓加上輸出電壓的和不能超過該限值。

圖7 降壓/升壓電流可限制和處理廣泛的輸入范圍
關閉控制環路
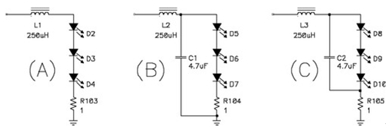
關閉 LED 電源上的電流環路比關閉傳統電源上的電壓環路簡單。環路的復雜性取決于輸出濾波器的配置。圖8顯示了三種可能的配置:只有一個簡單電感器的濾波器(A);一個典型的電源濾波器(B);以及一個修正后的濾波器(C)。

圖8 電位輸出濾波器設置
為每一個功率級都構建一個簡單的P-Spice模型,以闡明每一功率級控制特性的區別。降壓功率FET和二極管的切換建模為電壓控制的電壓源,增益為10dB,而LED則建模為與6V電壓源串聯的3W電阻。在LED和接地之間添加了一個1W的電阻,用于對電流進行感測。在電路A中,該響應來自穩定的一階系統。DC增益由電壓控制的電壓源確定,LED電阻和電流感測電阻構成了分壓器,系統的極性由輸出電感和電路電阻決定,補償電路則由類型2放大器構成。電路 B 由于增加了輸出電容,因此有二階響應。若 LED 的紋波電流過大并達到難以接受的程度,則可能要求該輸出電容工作,這是由于 EMI 或熱量等問題的出現造成的。DC 增益與第一個電路一樣。不過,在輸出電感和電容確定的頻率處有一對復極點。
濾波器的總相移為180.若沒有很好地設計補償電流,可能會導致系統不穩定。補償電流的設計與傳統電壓模式電源類似,傳統電壓模式電源要求有一個類型3的放大器。與電路 A 相比,補償電路增加了兩個組件以及一個輸出電容。在電路 3 中對輸出電容進行重定位,以便更容易對電路進行補償。LED 的紋波電壓與電路 B 類似,所不同的是,電感的紋波電流流過電流感測電阻 R105。因此,在計算功耗時也要考慮到這一部分。該電路有一個零點,一對極點,并且其補償設計與電路 A 一樣簡單,DC 增益也與前兩個電路相同。該電路的電容和 LED 串聯電阻引入了一個零點,并擁有兩個極點,一個由輸出電容和電流感測電阻確定;另一個則由電流感測電阻和輸出電感確定。在高頻率時,其響應與電路 A 一樣。
調光
通常需要對 LED 進行調光。例如,需要調節顯示器或建筑照明的亮度。實現上述目標有兩種方法:降低 LED 的電流,或快速對 LED 進行開關操作。更有效率的方法是降低電流,因為光輸出并不完全與電流呈線性關系,并且,LED 的色譜在電流小于額定值時會發生變化。人們對亮度的感知是指數型的,因此,調光可能需要對電流進行很大更改,這會對電路設計造成很大的影響。考慮到電路的容差,滿電流值工作時,3%的調節誤差可以造成10%負載時的30%或更高的誤差。通過電流波形的脈寬調制 (PWM) 進行調光更為準確,盡管這種方法存在響應速度問題。在照明和顯示器應用上,PWM頻率高于 100Hz,以使肉眼感覺不到閃爍。10% 的脈沖寬度在ms量級內,并要求電源的帶寬大于 10kHz,此項工作可以通過圖8(A 與 C)中簡單的環路完成。圖9為帶 PWM 調光功能的降壓功率級電路。在本例中,LED 輕松地閉合/斷開電路。通過這種方式,控制環路總是處于激活狀態,并實現了極快的瞬態響應。

圖9 Q1 用于PWM LED電流
結語
雖然 LED 的應用日益流行,但還有許多電源管理問題亟待解決。在需要高度可靠性和安全性的車載市場上,LED 器件得到了廣泛的應用。車載電氣系統對電源質量要求很高,因此,必須設計保護電路,以避免在電壓超過 60V 時出現“拋負載”現象。建筑 LED 的電源設計問題也很多,需要進行功率因數矯正,以及對電流和亮度的控制。另外,LED 正被集成于投影和電視等產品中,此類產品要求快速的響應、良好的電流控制,以及完美的開關控制,這些都給設計人員提出了新的挑戰。







