【導讀】LED 比傳統燈泡和燈更高效。它們無需預熱時間即可達到亮度,這使得它們比熒光燈更好。這些裝置可以組裝并用于照明燈具。憑借提到的所有這些功能,LED 非常適合用于街道照明應用。
LED 比傳統燈泡和燈更高效。它們無需預熱時間即可達到亮度,這使得它們比熒光燈更好。這些裝置可以組裝并用于照明燈具。憑借提到的所有這些功能,LED 非常適合用于街道照明應用。
本應用筆記介紹了 LED 街道照明的 150W 額定值設計指南。該應用設計由 CRM PFC 和 LLC SRC 組成,使用 FL7930B 和 FAN7621S 實現高功率因數和高功率轉換效率。為了驗證應用板和方案的有效性,實施了演示板 150W (103V/1.46A) AC-DC 轉換器,其結果在本應用筆記中介紹。在 CRM 有源 PFC 中,的拓撲是升壓轉換器。這是因為升壓轉換器可以具有連續輸入電流,可以通過峰值電流模式控制技術進行操縱,以強制峰值電流跟蹤線路電壓的變化。FAN7930B 是一款有源功率因數校正 (PFC) 控制器,適用于在臨界導通模式 (CRM) 下運行的升壓 PFC 應用。

圖1顯示了典型的應用電路,前端采用CRM PFC轉換器,后端采用LLC SRC DC-DC轉換器。FL7930B 和 FAN7621S 在 150W 額定應用中以中等功率實現高效率,其中 CRM 和 LLC SRC 兩級運行顯示出性能。與連續導通模式 (CCM) 升壓 PFC 轉換器相比,CRM 升壓 PFC 轉換器可以在輕型和中等額定功率下實現更高的效率。這些好處源自消除了升壓二極管和零電流開關 (ZCS) 的反向恢復損耗。LLC SRC DC-DC 轉換器比傳統的硬開關轉換器實現了更高的效率。FL7930B 提供受控導通時間來調節輸出直流電壓并實現自然功率因數校正。FAN7621S 包括高側柵極驅動器電路、的電流控制振蕩器、頻率限制電路、軟啟動和內置保護。高側柵極驅動電路具有共模噪聲消除能力,保證穩定運行并具有出色的抗噪聲能力。使用零電壓開關 (ZVS) 可以顯著降低開關損耗并顯著提高效率。ZVS 還顯著降低了開關噪聲,從而允許使用小尺寸的電磁干擾 (EMI) 濾波器。使用零電壓開關 (ZVS) 可以顯著降低開關損耗并顯著提高效率。ZVS 還顯著降低了開關噪聲,從而允許使用小尺寸的電磁干擾 (EMI) 濾波器。使用零電壓開關 (ZVS) 可以顯著降低開關損耗并顯著提高效率。ZVS 還顯著降低了開關噪聲,從而允許使用小尺寸的電磁干擾 (EMI) 濾波器。
BCM PFC 預調節器的基本操作
升壓轉換器廣泛使用的工作模式是連續導通模式 (CCM) 和邊界導通模式 (BCM)。這兩個描述性名稱指的是流經升壓轉換器的儲能電感器的電流,如圖 2 所示。正如名稱所示,CCM 中的電感器電流是連續的;而在BCM中,當電感電流返回到零時,新的開關周期開始,這是連續導通和不連續導通操作的邊界。盡管 BCM 操作在電感器和開關器件中具有較高的 RMS 電流,但它可以為 MOSFET 和二極管提供更好的開關條件。如圖2所示,消除了二極管反向恢復,并且不需要快速恢復二極管。MOSFET 也以零電流導通,

BCM PFC 的基本思想是每個開關周期中電感電流從零開始,如圖 3 所示。當升壓轉換器的功率晶體管導通固定時間時,峰值電感電流與輸入成正比。電壓。由于電流波形為三角波;每個開關周期的平均值與輸入電壓成正比。在正弦輸入電壓中,轉換器的輸入電流以非常高的精度跟隨輸入電壓波形,并從源提取正弦輸入電流。這種行為使得 BCM 運行中的升壓轉換器成為功率因數校正的理想選擇。

圖 4 顯示了 MOSFET 導通時間和開關頻率如何隨著輸出功率降低而變化。當負載減小時,如圖 4 右側所示,峰值電感器電流會隨著 MOSFET 導通時間的縮短而減小,因此開關頻率會增加。由于這會在輕負載條件下導致嚴重的開關損耗,并且啟動時可能會出現過高的開關頻率操作,因此 FL7930B 的開關頻率被限制為 300kHz。由于具有可變開關頻率的 BCM PFC 轉換器的濾波器和電感器的設計應在頻率條件下進行,因此值得研究 BCM PFC 轉換器的頻率如何隨工作條件變化。
LLC 諧振轉換器的考慮
在開關模式電源中獲得不斷增加的功率密度的嘗試受到無源元件尺寸的限制。在較高頻率下運行可大大減小變壓器和濾波器等無源元件的尺寸;然而,開關損耗一直是高頻操作的障礙。為了減少開關損耗并允許高頻操作,已經開發了諧振開關技術。這些技術以正弦方式處理功率,并且開關器件進行軟換向。因此,可以顯著降低開關損耗和噪聲。

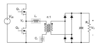
為了克服串聯諧振轉換器的局限性,人們提出了 LLC 諧振轉換器。LLC 諧振轉換器是一種改進的 LC 串聯諧振轉換器,通過在變壓器初級繞組上放置一個并聯電感器來實現,如圖 6 所示。當這種拓撲首次提出時,由于增加具有并聯電感器的初級側的循環電流有利于電路運行。然而,它可以非常有效地提高高輸入電壓應用的效率,其中開關損耗比傳導損耗更占主導地位。
免責聲明:本文為轉載文章,轉載此文目的在于傳遞更多信息,版權歸原作者所有。本文所用視頻、圖片、文字如涉及作品版權問題,請聯系小編進行處理。
推薦閱讀:


