中心議題:
- 開關電源低功耗化技術
- 開關電源低噪聲化技術
- 開關電源小型化技術
開關電源因其體積小、重量輕和效率高而在各種電子信息設備中得到了廣泛的應用。近來,伴隨著人們對開關電源要求的進一步升級,低電壓大電流轉換器的高效化以及響應的高速化成為了有關廠商和研究機構的熱門課題。另外,電子信息設備用量的激增還使得電磁干擾(EMI)問題日益突出,而開關操作時產生的浪涌和噪聲則是開關電源的固有缺陷,為此人們將開關電源的低功耗化、小型化和低噪聲化作為今后的三大重點研究目標。
舉個例子,如果功耗增加,就會導致元件溫升的增加,這不僅會降低電源的可靠性,還因為需要增設散熱器而不利于實現小型化。由此可見低功耗化與小型化是密切相關的,所以在研究時不能割裂。而且,來自業界的低生產成本要求也是必須盡力滿足的。本文將概要介紹幾種旨在實現開關電源的低功耗化、低噪聲化和小型化的最新技術。
低功耗化技術


如圖1所示,近年來,電子設備所采用的LSI的驅動電壓正在逐漸下降,而消耗電流卻因為設備功能的多功能化增大了許多,隨著轉換器的低電壓大電流化,以半導體元件為首,變壓器、配線等的導通損耗變得愈發明顯,往往很難維持高效率,為此人們做了大量的研究工作。例如,在把通信領域中常用的48V輸入電壓轉換成LSI所用的1V低電壓時,以往的降壓型轉換器需要將接通時間比(TimeRatio)設定在1/40以下。在如此短的時間里流經開關元件的巨大脈沖電流是導致效率下降的主要原因。
但是,在圖2所示的采用抽頭電感器(TapInductor)的降壓型轉換器中,即使不采用非常小的時間比也能夠獲得很大的降壓比。雖然當抽頭電感器的繞組之間存在漏電感時會產生非常大的浪涌電壓,但由于采用了有源鉗位(ActiveClamp)電路,故使得浪涌電壓受到抑制。

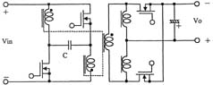
另外,如圖3所示,在采用絕緣變壓器的場合,研究人員還提出了將有源鉗位電路嵌入推挽式轉換器中的方案,可在采用48V輸入和1.2V/70A輸出的條件下實現高達91%的效率。上面講到的幾種電路方式基本上都是一段式結構,最近,出于進一步提高效率的考慮,人們正在加緊研發兩段式結構的轉換器。就普通的轉換器而言,采用兩段式結構將導致效率下降是人所共知的常識,然而,在低電壓大電流轉換器中,對輸出進行同步整流是很普遍的做法,因此,如何實現同步整流操作的高效化便成為了關鍵所在。
圖4所示即為降壓型轉換器與半橋式轉換器級聯而成的兩段式轉換器。電壓控制由第一段的降壓型轉換器來完成,第二段的半橋式轉換器則以50%的固定時間比來工作。因此,通常能夠以最合適的條件來驅動第二段的轉換器的同步整流開關,從而實現總體效率的提升。日本的研究人員做了兩個實驗,結果是:當輸入電壓為36~72V、輸出電壓為1.5V/20A且開關頻率為150kHz的工作條件下,轉換效率達到了87%左右;而當輸入電壓為36~75V、輸出電壓為3.3V/60A且開關頻率為170kHz的工作條件下,轉換效率最高可達95%,從而進一步降低了功耗。這種兩段式結構最近已被DC/DC轉換器模塊大量采用。
[page]
低噪聲化技術

伴隨著開關電源開關操作時急劇的電壓和電流變化而產生的浪涌和噪聲將作為傳導噪聲或輻射噪聲傳遞至設備的外部,從而引發電磁干擾(EMI)問題。傳導噪聲(特別是共模噪聲)中也時常會產生很大的環路電流,這是輻射噪聲的起因。近幾年來,ZVS(零電壓開關)和ZCS(零電流開關)等軟開關(SoftSwitching)技術作為抑制浪涌發生的常規方法已經廣為人知。不過,人們在此基礎上又提出了多種能夠兼顧低功耗和低噪聲目標的電路方案。圖5(a)示出了采用有源鉗位電路的傳統型轉換器電路。鉗位開關Q2需要在高壓側進行絕緣驅動,這里通常采用的是脈沖變壓器。然而,如圖5(b)所示,研究人員最近又提出了一種共源極型有源鉗位電路方案,它將兩個MOSFET開關的源極端子共接,從而簡化了柵極驅動。不僅如此,這種共源極型電路方式還有望降低噪聲,經實驗測量,其噪聲電平較之傳統型電路下降了約30dB。

了弄清其降噪原因,讓我們來設想一下共源極型有源鉗位電路中的噪聲電流通路(見圖6)。如圖所示,雖然各MOSFET開關與外殼之間存在著通過散熱器等而形成的寄生電容C4和C5,但如果將變壓器初級繞組的極性考慮在內,就會發現Q1漏極的電位與Q2漏極的電位只產生等量的逆向變化。因此,當電壓在開關操作時發生變化的時候,流經C4和C5的電流將會是反向的,從而相互抵消。圖6中,在Q1關斷時通過寄生電容C5產生的共模噪聲電流經由寄生電容C4而被封閉于電路內部,這樣便能夠大幅度地減小流經輸入電源側的共模噪聲電流。
另一方面,由于擔心該封閉噪聲電流會引發輻射噪聲,因此應將其封閉在預測的通路中。而且,對于噪聲頻率也應該借助等效電路通過解析法來加以確認。由該共模噪聲電流所引起的輻射噪聲與電流環路的面積成正比,故需盡可能地減小上述電流環路的面積。
小型化技術
提高開關頻率是實現開關電源小型化、輕量化的有效措施,從1970年到1980年這10年間,開關電源的開關頻率提高了100倍,而尺寸縮小了10倍。另外,變壓器和電感器等磁性元件的集成也是實現小型化的途徑之一。
最近,人們又開始嘗試一種開關電源小型化的新方法,即采用壓電變壓器來取代傳統的電磁變壓器。壓電變壓器具有外形扁薄、結構簡單、易于絕緣和無磁性噪聲等諸多優點。目前,適合于液晶背光源用逆變器的扁平壓電變壓器業已實用化,有關其在DC/DC轉換器中應用的實用化研究也在進行之中,這里我們以AC適配器所采用的壓電變壓器轉換器為例做簡要介紹。

日本的研究人員開發成功一種振動型壓電變壓器,其厚度僅為4mm。該壓電變壓器的驅動電路采用方波逆變器,通過改變其開關頻率(PFM方式)以達到借助壓電變壓器的諧振特性來調整輸出電壓的目的。但是,由于壓電變壓器具有多種由其形狀所決定的諧振頻率,所以很難通過大幅度地改變頻率的做法來控制輸出電壓。為此,人們正在研究引入逆變器的脈寬調制(PWM)技術。圖7示出了通過將驅動用逆變器、采用電流倍增器的整流電路以及采用PFM和PWM方式的混合控制電路與壓電變壓器相連而構成的壓電變壓器DC/DC轉換器。
利用增設了有源鉗位電路的逆變器,可使施加在壓電變壓器之上的輸入電壓的基本頻率分量與主開關的時間比D大致成正比,因而能夠進行PWM控制。關于控制方式,當輸入電壓較低時,執行PWM控制;而當輸入電壓升高時,則切換至PFM控制,實驗結果顯示這能夠針對90~260V的寬輸入電壓范圍來相應地調整輸出電壓。



