中心議題:
- 新的電流采樣方法
- 基于新的電流采樣方法的均流原理
- 常用均流方法的分析比較
- 新的均流方案
解決方案:
- 對各路RC網絡C上電壓進行均壓
在大功率DC/DC開關電源中,為了獲得更大的功率,特別是為了得到大電流時,經常采用N個單元并聯的方法。多個單元并聯具有高可靠性,并能實現電路模塊標準化等優點。然而在并聯中遇到的主要問題就是電流不均,特別在加重負載時,會引起較為嚴重的后果。普通的均流方法是采取獨立的PWM控制器的各個模塊,通過電流采樣反饋到PWM控制器的引腳FB或者引腳COMP,即反饋運放的輸入或者輸出腳來凋節輸出電壓,從而達到均流的目的。顯然,電流采樣是一個關鍵問題:用電阻采樣,損耗比較大,電流放大后畸變比較大;用電流傳感器成本高;用電流互感器采樣不是很方便,同時會使電流失真。本文提出了一種新型的、方便的、無損的電流采樣方法,并在這種電流檢測方法的基礎上實現了并聯系統的均流。
1 一種新的電流采樣方法
如前所述,在均流系統中一些傳統的電流采樣力法都或多或少有些缺點。而本文提出的這種新的電流采樣力法,既簡單方便,又沒有損耗。
下面以圖1所示的Buck電路為例,說明這種新的電流檢測方法的原理和應用。

圖1 簡單電流檢測電路
電流檢測電路由一個簡單的RC網絡組成,沒流過L的電流為iL,流過C的電流為ic,L兩端的電壓為vL,輸出電壓為vo上電壓為vc,則有
vL+iLR1+vo=vc+iCR (1)
對式(1)在一個開關周期求平均值得
VL+ILR1+Vo=VC+ICR (2)
式中:VL是電感上的電壓在一個開關周期的平均值,顯然VL=0;Vo為輸出電壓平均值;IL電感電流平均值,等于負載電流ILoad;Ic是電容在一個開關周期內充放電電流的平均值,顯然Ic=0;R1為電感的等效串聯電阻(ESR)。
于是式(2)可化為
ILR1+Vo=VC (3)
IL="ILoad"=(VC-Vo)/R1 (4)
所以,要檢測負載電流及電感電流的大小,只要檢測RC網絡電容上的電壓的大小就行了,這種方法可以很方便、簡易、沒有損耗地對電流進行采樣。
2 基于新的電流采樣方法的均流原理
以兩路并聯Buck電路為例,如圖2所示。

圖2 用RC網絡簡易檢測電流
由式(3)知,
VC1=IL1R1+Vo
VC2=IL2R2+Vo
式中:Vc1、Vc2分別為C1和C2上電壓的平均值;IL1、IL2分別是L-和L2流過電流的平均值,亦即兩路輸出電流平均值;R1及R2是濾波電感的等效串聯電阻,當在工藝上設計并聯電源每路輸出電感基本上一樣時,可以認為R1=R2。因此,要控制兩路電流均流,即要求IL1=IL2,于是,只要控制Vc1=Vc2就行了。所以,電容C1及C2上的電壓Vc1和Vc2可以代表兩路電流IL1及IL2大小,可用來進行均流控制。
[page]
這樣,便可得到如圖3所示的控制框圖,

圖3 兩路Buck并聯均流系統框圖
3 常用均流方法的分析比較
開關電源并聯系統常用的均流方法有以下幾種。
輸出阻抗法:即Droop(下垂,傾斜)法,調節開關變換器的外特性傾斜度(即調節輸出阻抗),以達到并聯模塊接近均流的日的。這種方法是一種簡單的大致均流的方法,精度比較低。
主從法:適用于電流型控制的并聯開關電源系統中。這種均流系統中有電壓控制和電流控制,形成雙閉環控制系統。這種方法要求每個模塊問有通訊,所以使系統復雜化,并且當主模塊失效時,整個電源系統便不能工作。
平均值均流法:每個并聯模塊的電流放大器輸出端接一個相同的電阻到一條公共母線上,形成平均值母線。當某模塊電壓比母線電壓高時,輸出電壓下降,反之亦然。
最大值均流法:和平均值均流法相似,區別只是每路電流通過一個二極管連到一條公共母線上。這種方法其實質是一種“民主均流”方法,電流最大的那個模塊自動成為主模塊,其他模塊為從模塊,從而“自動主從控制”。
平均值均流和最大值均流法的均流母線斷開或者開路都不會影響各個電源模塊獨立工作,并且是自動均流方法,均流精度比較高。
圖4為常見均流方法的原理圖。如果均流母線是并聯模塊電流的平均值,則是平均值均流法;如果是并聯模塊電流的最大值,則是最大值均流法;如果均流母線是并聯模塊中的主模塊的電流,則就是主從均流法。但是,在這些均流方法中,每個模塊都需要有一套獨立的PWM控制環。

圖4 常用的均流方法 [page]
4 新的均流方案
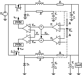
本文提出的方案是基于前所述的每路加一個簡單的RC網絡檢測其分配的電流大小。電容C兩端的電壓平均值就可以表征這路模塊的電流大小,所以,對系統進行均流控制就是對各路RC網絡C上電壓進行均壓。其均流原理圖如圖5所示。

圖5 并聯兩路Buck電路的均流系統
圖5中Vbus為均流母線電壓;Vref為輸出電壓參考值;Vs為輸出電壓的采樣值。
其工作原理和過程如下:
通過檢測RC網絡中C兩端的電壓,作為電流信號,幾路電流信號(本例只有兩路)通過一個相同的電阻就得到了平均值均流母線,平均值均流母線電壓值與負載有關,表征負載電流的大小。然后將每路采樣來的電流信號與母線電壓比較,得到誤差信號,去修正輸出電壓參考信號,從而對PWM控制器的占空比輸出進行微調,達到均流和穩壓的目的。
5 實測結果
樣機是一臺DC5V輸入,2V/40A輸出的4路Buck并聯的開關電源,工作頻率為200 kHz,帶上滿載進行測量每一路電流輸出,均流效果好,誤差在2%以下,電源輸出穩定。當輸出電流越大,即大功率并聯的電源系統中,均流效果越好。
6 結語
本文通過對常用的電流檢測方法與均流控制的分析研究,提出了用一個RC網絡檢測電源輸出電流的方法,并在這種電流檢測方法的基礎上給出了一種簡單的并聯系統均流的方案。這種方案使電流檢測很方便,能高效率、低成本、簡單、方便地實現并聯系統的均流。




