中心議題:
- RCC型開關電源與PWM型開關電源的區別
- 開關型手機充電器開關電源電路
- 開關型手機充電器充電控制電路分析
- 鋰離子電池所用的材料
- 鋰離子電池的工作機理及充電原理
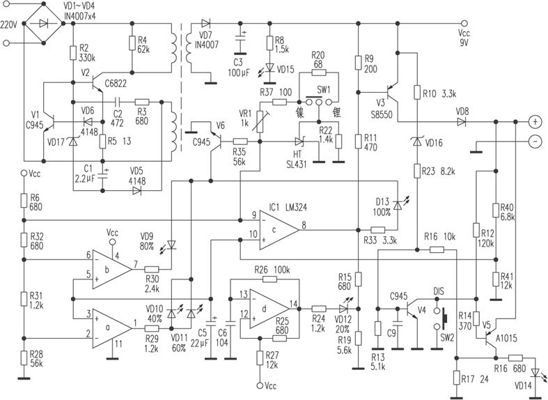
本文詳細介紹了一種開關型手機充電器的工作原理,對初學者了解具體的開關電源電路及充電控制電路很有意義。該充電器具有鎳鎘、鎳氫、鋰離子電池充電轉換開關,并具有放電功能。在150~250V、40 mA的交流市電輸入時,可輸出300±50 mA的直流電流。根據實物繪出了工作原理圖,供讀者參考。

RCC型開關電源與PWM型開關電源的區別
該充電器采用了RCC型開關電源,即振蕩抑制型變換器,它與PWM型開關電源有一定的區別。
PWM型開關電源由獨立的取樣誤差放大器和直流放大器組成脈寬調制系統;而RCC型開關電源只是由穩壓器組成電平開關,控制過程為振蕩狀態和抑制狀態。
由于PWM型開關電源中的開關管總是周期性的通斷,系統控制只是改變每個周期的脈沖寬度,而RCC型開關電源的控制過程并非線性連續變化,它只有兩個狀態:當開關電源輸出電壓超過額定值時,脈沖控制器輸出低電平,開關管截止;當開關電源輸出電壓低于額定值時,脈沖控制器輸出高電平,開關管導通。當負載電流減小時,濾波電容放電時間延長,輸出電壓不會很快降低,開關管處于截止狀態,直到輸出電壓降低到額定值以下,開關管才會再次導通。開關管的截止時間取決于負載電流的大小。開關管的導通/截止由電平開關從輸出電壓取樣進行控制。因此這種電源也稱非周期性開關電源。
開關型手機充電器開關電源電路分析
220V市電經VD1~VD4橋式整流后在V2的集電極上形成一個300V左右的直流電壓。由V2和開關變壓器組成間歇振蕩器。開機后,300V直流電壓經過變壓器初級加到V2的集電極,同時該電壓還經啟動電阻R2為V2的基極提供一個偏置電壓。由于正反饋作用,V2 Ic迅速上升而飽和,在V2進入截止期間,開關變壓器次級繞組產生的感應電壓使VD7導通,向負載輸出一個9V左右的直流電壓。開關變壓器的反饋繞組產生的感應脈沖經VD5整流、C1濾波后產生一個與振蕩脈沖個數呈正比的直流電壓。此電壓若超過穩壓管VD17的穩壓值,VD17便導通,此負極性整流電壓便加在V2的基極,使其迅速截止。V2的截止時間與其輸出電壓呈反比。VD17的導通/截止直接受電網電壓和負載的影響。電網電壓越低或負載電流越大,VD17的導通時間越短,V2的導通時間越長,反之,電網電壓越高或負載電流越小,VD5的整流電壓越高,VD17的導通時間越長,V2的導通時間越短。V1是過流保護管,R5是V2 Ie的取樣電阻。當V2 Ie過大時,R5上的電壓降使V1導通,V2截止,可有效消除開機瞬間的沖擊電流,同時對VD17的控制功能也是一種補償。VD17以電壓取樣來控制V2的振蕩時間,而V1是以電流取樣來控制V2振蕩時間的。
[page]
開關型手機充電器充電控制電路分析
如果是為鎳鎘、鎳氫電池充電,由于這類電池存在一定的記憶效應,需不定時對其進行放電。SW1是鎳鎘、鎳氫、鋰離子電池充電轉換開關。SW1與精密基準電源SL431為運放LM324 ⑨提供兩個不同的精密基準源,由SW1切換。在給鎳鎘、鎳氫電池充電時,LM324 ⑨腳的基準電壓約0.09V(空載);在給鋰離子電池充電時,LM324 ⑨腳的基準電壓約為0.08V(空載),這種設計是由這兩種類型電池特有的化學特性決定的。按下SW2,V5基極瞬間得一低電平而導通,可充電池上的殘余電壓通過V5的e c極在R17上放電,同時放電指示燈VD14點亮。在按下SW2后會隨即釋放,這時可充電池上的殘余電壓通過R16、R13分壓,C9濾波后為V4的基極提供一個高電平,V4導通,這相當于短接SW2。隨著放電時間的延長,可充電池上的殘余電壓也越來越低,當V4基極上的電壓不能維持其繼續導通時,V4截止,放電終止,充電器隨即轉入充電狀態。
由于鋰電不存在記憶效應,當電池低于3V時便不能開機,其殘余電壓經電阻R40、R41分壓后得到2.53V送入運算放大器的同相端③、⑤、⑩腳,由于LM324 ⑨腳電壓在負載下始終為2.66V,因此⑧腳輸出低電平,V3導通,+9V電壓通過V3 e c極、VD8向可充電池充電。IC1 d在電容C6的作用下,{14}腳輸出的是脈沖信號,由于IC1 ⑧腳為低電平,因此VD12處于閃爍狀態,以指示電池正在充電,對應容量為20%。隨著充電時間的延長,可充電池上的電壓逐漸上升。當R40、R41的分壓值約等于2.58V時,即IC1 ③腳等于2.58V時,IC1 ②腳經電阻分壓后得2.57V,其①腳輸出高電平(由于在充電時,IC1 ⑨腳電壓始終是2.66V,V6導通;反之在空載時,IC1 ⑨腳為0.08V,V6截止),VD10、VD11點亮,對應指示容量為40%、60%。當R40、R41的分壓值上升到2.63V時,即IC1 ⑤腳等于2.63V,其⑥腳經電阻分壓后得2.63V,⑦腳輸出高電平,VD9點亮,對應充電容量為80%。只有IC1 ⑩腳電壓≥2.66V時,⑧腳才輸出高電平,VD13點亮,對應充電容量為100%。即使VD13點亮時,VD12仍處于閃爍狀態,這表示電池仍未達到完全飽和。只有IC1 ⑧腳電壓>6.5V時,VD12才逐漸熄滅,表示電池完全充至飽和。
VD16在電路中起過充、過流保護作用,VD8起反向保護作用,避免充電器斷電后,電池反向放電。
鋰離子電池所用的材料
說到這個鋰離子電池(一般我們所稱的鋰電池即鋰離子電池,如果嚴格意義上來劃分,鋰電池包括鋰離子電池和鋰聚合物電池)呢,先來簡單的介紹一下,所謂鋰離子電池就是使用能夠吸藏•脫離鋰離子的碳材料作為負極活性物質的電池,鋰離子符號為 Li-ion 。大家知道作為電池一般都是由正極,負極,隔膜,電解液等基本的元素組成,那么鋰離子電池所用的這些材料一般是以下一些物質:
正極:鈷酸鋰(LiCoO2)、鎳酸鋰(LiNiO2)錳酸鋰(LiMn2O4)等;
負極:人造石墨系列、天然石墨系列、焦炭系列等等;
隔膜:聚乙烯(PE)、聚丙稀(PP)等組成的單層或者多層的微多孔薄膜;
電解液:碳酸丙稀酯(PC)、碳酸乙烯酯(EC)、二甲基碳酸酯(DMC)、二乙基碳酸酯(DEC)、甲基乙基碳酸酯(MEC)等組成的一元、二元或者三元的混合物
市場上所售的鋰離子電池大多是以鈷酸鋰為正極,石墨系列為負極的電池。
鋰離子電池的工作機理
鋰離子電池的工作機理是:電池充電時,正極材料中的鋰形成離子溶出,嵌入到負極改性石墨層中;電池放電時,鋰離子從石墨層中脫嵌,穿過隔離膜回填到正極鈷氧化鋰的層狀結構中。隨充放電的進行鋰離子不斷的從正極和負極中嵌入和脫出,所以也有人稱其為“搖椅電池”鋰離子電池單體的額定電壓為 3.6V,充電限制電壓為 4.2V,放電限制電壓為 2.5V 。
鋰離子電池的充電過程
鋰離子電池的充電過程分為兩個步驟:先是恒流充電,其電流恒定,電壓不斷升高,當電壓充到 4.2V 的時候自動轉換為恒壓充電,在恒壓充電時電壓恒定,電流是越來越小的直到充電電流小于預先設定值為止,所以有人用直充對手機電池進行充電的時候明明電量顯示已經滿格了,可是還是顯示正在充電,其實這個時候的電壓已經達到了 4.2V 所以電量顯示為滿格,那時就是在進行恒壓充電過程,那么有人也許會問,為什么要進行恒壓充電呢,直接用恒流充到 4.2V 不就行了嗎,其實很容易解釋,因為每一個電池都有一定的內阻,當用恒流進行充電到 4.2V 的時候,這個 4.2V 其實并不是電池實際的電壓,而是電池的電壓加上電池內阻上消耗的電壓之和,如果電流很大那么在內阻上消耗的電壓也就很大,所以那是實際電池的電壓可能比 4.2V 小很多,所以要用恒壓充電過程,把充電的電流慢慢降下來,這樣電池的實際電壓就很接近 4.2V 。




