中心議題:
- 新型開關電源原理簡釋
- 節能、環保、高效率的特點闡述
- 開關電源是用調節占空比的方法穩定或改變輸出
- 一機多用是新型開關電源的創新之一
開關電源是現代直流穩定電源的發展方向。它因體小、量輕、效率高等優勢,在生產、科研、教學諸多領域被廣泛采用。但它有不易大幅可調,輸出噪聲高等缺陷,限制了它在高頻設備、儀器儀表等領域中的應用。直流線性穩壓電源的輸出大幅可調,輸出無噪聲,但又存在體大、量重、效率低的缺陷。本新型開關電源就是對二種電源揚利棄弊研制而成,并因而獲得獲國家知識產權局實用新型專利(專利號:ZL2007201531075)。
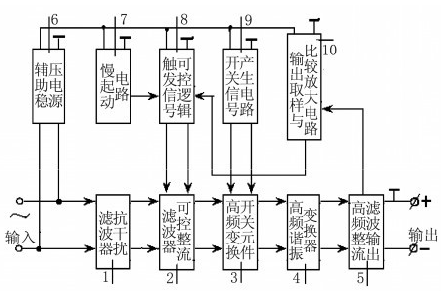
1 新型開關電源原理簡釋
如圖1所示,它由抗干擾濾波器1、可控整流濾波器2、高頻變換開關元件3、高頻諧振變換器4、高頻整流濾波輸出5依次連接而成??煽卣鳛V波器2的導通角的控制由觸發信號控制邏輯8完成。慢起動電路7使觸發信號控制邏輯8在開機時的導通角由零度逐步上升。輸出取樣與比較放大電路10,將高頻整流濾波輸出5的輸出電壓與基準電壓源相比較且進行放大,從而控制觸發信號控制邏輯8,使輸出電壓穩定。改變基準電壓源的大小,就能改變觸發信號控制邏輯8的觸發導通角,從而調節輸出電壓的大小。開關信號產生電路9產生一個適合高頻諧振變換器4的方波信號,用來控制高頻變換開關元件3的導通和截止,使直流電能進入高頻諧振變換器4,形成高頻電流震蕩;并經高頻變壓器輸出至高頻整流濾波輸出5,減小了開關噪聲。輔助穩壓電源6給慢起動電路7、觸發信號控制邏輯8、開關信號產生電路9、輸出取樣與比較放大電路10提供能量和基準電。

圖1 原理圖
2 節能、環保、高效率
一般直流線性穩定電源的能量轉換效率約為30%左右,不僅浪費電能,且整機易發熱,元件老化快。一般開關電源的濾波電路是電容,其交流阻抗小,易引起開機時的浪涌電流,為此加接溫敏電阻來防止浪涌電流,從而造成能量浪費。一般開關電源采用方波變換形式,而方波頻譜豐富,很難用濾波的方法濾除。其噪聲電平約為輸出的2%左右,造成對高頻設備的干擾和對工業電網的污染。新型開關電源通過可控整流電路與電網連接,開機時導通角從零開始上升,無需溫敏電阻,通過慢啟動電路便有效地控制了過大的浪涌電流。慢啟動電路元件數量少,基本無能量損耗。
又利用物理學諧振電路的方法,將方波變換成近似正弦波,克服了方波上沖和下沖帶來的問題,使噪聲電平降為輸出的1‰以下。
3 輸出穩定、大幅可調
一般開關電源是用調節占空比的方法穩定或改變輸出。但占空比是受限制的。因此一般開關電源的輸出固定不可調。新型開關電源的輸入端采用可控整流濾波器,它的導通角可以從零開始?! ?br />
當輸出不穩時,變化導通角使其不變,就保證了輸出的穩定。用控制可控整流濾波電路導通角---即控制開關電源輸入電壓的方法來穩定和調節輸出,開創了開關電源一種新的穩定形式。
[page]
4 恒流恒壓、一機多用
一機多用是新型開關電源的創新之一。即輸出可以由恒流轉換成恒壓。負載連續變化時,為保持恒流,輸出電壓可自動相應變化。這是一般電源做不到的。一般電源當輸出變化量較大時,調整管的功耗會引起問題。新型開關電源輸出電壓的變化由可控整流濾波器的導通角跟蹤,它可以在零到設計額定值之間自動跟蹤,使調整管的電壓降始終保持一定值。
新型開關電源具有創造性、節能性、環保性等諸多優勢。它可作為工礦企業、科研機構和高等院校實驗室的先進電源裝備,并已在實驗教學使用中,取得了良好效果。




