中心議題:
- 直流電源主回路工作原理
- 電壓跟蹤電路
解決方案:
- 采用三相橋式全控整流
- 采用雙路電源并聯輸出的方法得到低紋波直流高壓直流電源
- 本樣機選用西安電力電子技術研究所生產的KK200 整流晶閘管
引言
高壓直流電源已越來越廣泛的應用于工業、醫學、核物理、檢測等領域。對于X 光機,粒子加速器,電子束焊機,電子束曝光機等一些應用場合,對電壓的水平要求比較高,它們均要求低紋波電壓。文章對幾種用于高壓直流電源的電路拓撲結構分別進行了介紹,并對它們進行了比較,指出了各自的優缺點。
近年來,隨著新的電力電子器件的應用使得高壓直流電源出現了頻率高,效率高,功率密度高,可靠性高等新特性。高頻化可以提高電源性能,減少變壓器的體積和紋波系數,但也帶來了新的技術問題。過高的頻率會導致開關管開斷頻繁,開關損耗增大,影響開關管壽命并使整機效率下降。
鑒于以上問題,本文采用雙路電源并聯輸出的方法得到低紋波直流。在開關管頻率受限的今天,本方法可以在頻率較低的情況下得到低紋波直流。
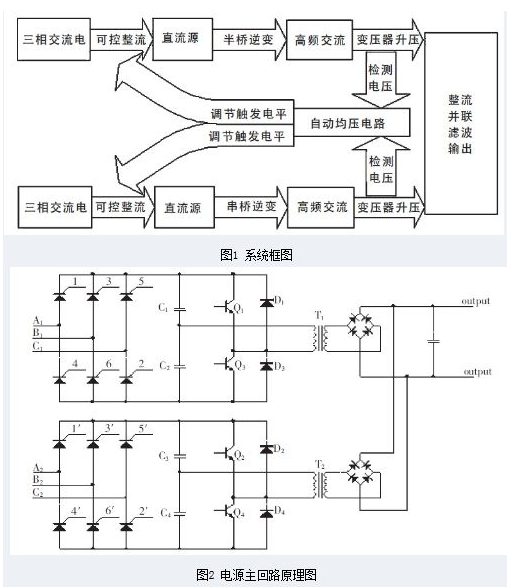
1 主回路工作原理
電源的系統框圖及主回路原理圖別如圖1 和圖2 所示。

電源的系統框圖及主回路原理圖
[page]
主電路含有兩套完全相同的半橋逆變電路,逆變開關元件選用IGBT.每一路均采用獨立的三相全控整流橋供電,逆變電路采用PWM 方式,工作頻率遠高于諧振頻率, 逆變后的電壓波形為方波。 電路的功率調節通過控制全控整流橋的移相角來實現。IGBT 的觸發脈沖參數:0 kHz~20 kHz、占空比45%,-5 V~+15 V,上下橋臂脈沖相差半個周期如圖3 所示,兩路半橋逆變電路的輸出波形如圖4 所示。將兩路電壓并聯,即可得平直電壓。

電壓波形示意圖
可見,加大輸出電容值也可以減少紋波,或者采用多個電容并聯的方式減少ESR 值。
2 電壓跟蹤電路
由于采用兩路輸出并聯來獲得平直的直流電壓, 設備正常工作的關鍵問題是兩路并聯電源的電壓平衡問題,即要求兩路輸出的電壓幅值時刻保持相同。為使兩路輸出保持一致,元器件參數應選取一致,還需要一套輸出電壓檢測、比較及自動調節電路,實際設計的電路工作過程如圖5 所示。

圖5 電壓跟蹤電路結構框圖
在檢測電路中主要包含隔離和離散化兩部分電路,隔離電路可以有效地抑制系統噪聲, 消除接地回路的干擾。把檢測到的輸出電壓離散化是為了解決當相近的模擬量直接比較時運放輸出抖動的問題, 同時可以使后面的比較電路的反應速度調節方便。在離散化電路中具體由鋸齒波來調制經過隔離的輸出電壓來實現。它將檢測到的電壓信號,轉化為脈寬與其電壓成正比的方波信號。
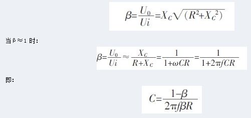
在具體應用中,應根據頻率范圍來設計合理的RC 濾波電路。濾波器的輸出與其輸入之比β 為:

RC 濾波電路
[page]
3 實驗結果
應用本方案試制了一套小功率系統,以此來驗證電路的可行性。
為了方便調試,樣機采用晶閘管整流,本樣機選用西安電力電子技術研究所生產的KK200 整流晶閘管。三相電經過一個降壓變壓器(變比10∶1)接到2 個整流橋。
三相全控整流橋輸出直流平均電壓為:Ud=1.35U1cosα式中,U1-輸入三相線電壓有效值;α-三相橋式全控整流控制角。
本樣機整流橋進線線電壓有效值為380 V,采用三相橋式全控整流,所以整流橋輸出最大直流平均電壓為380*1.35 / 10=51.3 V 左右。
T1、T2 變壓器變比1:40,負載阻抗100 kΩ。下面給出了各路逆變頻率為13 kHz 時的相關波形圖:

圖6 實驗波形
圖6 中所標的電壓值為乘以分壓器變比以后的值。圖6(a) 為沒有經過并聯的兩路分別輸出時的電壓波形,可以看到,單路電壓輸出存在缺口,而且缺口處脈動較大,并有一定的毛刺。圖中6(b)為兩路并聯后輸出的電壓波形(未經電容濾波),與圖6(a)相比較,可以清楚地看到兩路并聯后,大的缺口在輸出波形中消失,輸出電壓脈動明顯減小,紋波變低,達到了實驗目的,驗證了設計思想的正確性。
4 結論
通過小功率試驗的驗證,證明了該方案的可行性,采用本方案可以在較低的工作頻率下達到輸出低紋波直流電壓的目的,可以減小半導體開關元件的損耗,提高元器件使用壽命和設備的穩定性,同時對控制等輔助電路的要求也降低;另外并聯后輸出電壓的脈動頻率高且幅值小,容易濾波,所以可以減小輸出端的濾波電容。由于電路是兩路電源并聯的結構,可以提高電源的輸出容量。




