【導讀】鋰電池因其使用壽命長,可重復次數多等優點得到了廣泛應用,而單個鋰電池由于制造工藝、環境等差別,將對鋰電池組串聯充電的平衡性造成影響,因此如何解決鋰電池組充電的不平衡問題將是本文要講述的內容。
隨著國際原油價格飛漲,各種新型能源的研究成為公眾關注的焦點。電能作為動力能源已經在各種車輛上得到廣泛應用。鋰電池以具有較高的能量質量比和能量體積比,無記憶效應,可重復充電次數多,使用壽命較長等優點成為動力電能的首選。
作為一種新型動力技術,鋰電池在使用中必須串聯才能達到使用電壓的需求,單體性能的參差不齊并不全緣于電池生產技術問題,即使每只電池出廠時電壓,內阻完全一致,使用一段時間以后,也會產生差異,這使得解決動力電池充電技術問題成為迫切需要解決的技術問題。本設計在充分考慮工業成本控制和穩定性要求的基礎上,采用能耗型部分分流法對動力鋰電池充電進行均衡管理,改善了電池組充電的不平衡性,提高了工作性能。
鋰電池組充電方案選擇
1、單節鋰電池充電要求
對單節鋰離子電池的充電要求(GB/T18287-2000)首先是恒流充電,即電流一定,而電池電壓隨著充電過程逐步升高,當電池端電壓達到4.2V(4.1V),改恒流充電為恒壓充電,即電壓一定,電流根據電芯的飽和程度,隨著充電過程的繼續逐步減小,當減小到10mA時,認為充電終止,充電曲線如圖1所示。

圖1:鋰電池充電曲線
2、鋰電池組充電特性
在動力電池組中由于各單體電池之間存在不一致性。連續的充放電循環導致的差異,將使某些單體電池的容量加速衰減,串聯電池組的容量是由單體電池的最小容量決定的,因此這些差異將使電池組的使用壽命縮短。造成這種不平衡的主要原因有:
●電池制作過程中,由于工藝等原因,同批次電池的容量、內阻等存在差異;
●電池自放電率的不同,經長時間積累,造成電池容量的差異;
●電池使用過程中,使用環境如溫度、電路板的差異,導致電池容量的不平衡。
[page]
3、充電方案選擇
為了減小不平衡性對鋰電池組的影響,在充電過程中,要使用均衡電路。
目前對于鋰電池組進行均衡管理的方案主要有2種,能耗型和回饋型。能耗型是指給各個單體電池提供并聯支路,將電壓過高的單體電池通過分流轉移電能達到均衡目的。回饋型是指通過能量轉換器將單體之間的偏差能量饋送回電池組或電池組中的某些單體。
理論上,當忽略轉換效率時,回饋不消耗能量,可實現動態均衡。但由于回饋型設計控制方法復雜,制造成本較高,本充電器采用能耗型設計。
能耗型按能量回路處理方式又可以分為斷流和分流。斷流指在監控單體電壓變化的基礎上,滿足一定條件時把單體電池的充電回路斷開,充電電流完全通過旁路電阻。通過機械觸點或電力電子部件組成的開關矩陣,動態改變電池組內單體之間的連接結構。而分流并不斷開工作回路,而是給每只電池增加一個旁路電阻,當某單體電池高于組內其他電池時,將充電電流的全部或一部分導入旁路電阻。從而實現對各個單體電池的均衡充電。由于動力鋰電池組功率較大,在綜合考慮充電效率,熱管理等方面因素之后,我們使用部分分流法為充電器的設計方案。
系統設計及分析
1、系統整體結構
如圖2系統框圖所示,工頻交流電通過開關電源轉化為18V/5A的直流電輸出給升壓電路,升壓電路根據CPU的控制信號為電池組充電提供一定的充電電流,電壓監控電路將電池的實時電壓情況反饋給CPU,CPU通過升壓電路實現對電池組整體充電電壓、電流的控制。通過均衡電路實現各個單體電池充電速率調整,以保證整個電池組充電的一致性。

圖2:系統整體框圖
2、升壓電路
電能的輸入轉化環節由開關電源電路和調壓電路兩部分組成。開關電源將輸入的工頻交流電轉化為18V/5A直流電輸出。由于當前開關電源技術已經相當成熟,在此就不再贅述。
[page]
升壓電路的作用是將開關電源輸出的直流電調節轉化為電池組充電所要求的電壓、電流,并能夠根據充電狀態對輸出電壓、電流進行實時調節。
升壓電路如圖3所示。

圖3:升壓電路
其中R1、R2、Q1構成電源反接保護電路,Q5是整個升壓電路的開關,Q2、Q4、U1構成場效應管Q3驅動級電路,Q3、L1、D1、C4、C5構成BOOST升壓調節電路,R9、R10、C6為電壓采樣電路。
在充電器正常工作時,開關電源的正負極輸出分別接到DC+,DC-,開關管Q5關斷。CPU根據電池監控電路反饋的電壓計算出的PWM占空比,輸出相應的調制信號。PWM調制信號經過驅動級放大調整,控制Q3開關狀態,以產生所需要的輸出電壓。
由于穩態條件下,電感兩端電壓在一個開關周期內的平均值為零。可得:

其中,UL為電感兩端電壓在一個開關周期內的平均值;U0為輸出電壓;Ui為輸入電壓;T為開關周期;ton為Q3處于通態的時間;toff為Q3處于斷態的時間。令UL=0,在電感電流連續的工作過程中有:

因此只需要調節PWM輸出的占空比,就能有效地控制電池的充電電壓。
由于單個鋰電池的電壓過小,為得到更大的工作電壓,一般需要將鋰電池串聯使用。電池組充電過程中,需要對每個電池的電壓情況進行實時監控,以保證每個電池工作在正常工作狀態下,避免發生過充現象,損壞鋰電池。
串聯鋰電池電池組中,各個鋰電池的基準電平不同。假設電池組中的電池電壓分別為a1,a2,?,則對地第一節電池電壓為a1,第二節電池電壓為a1+a2,以此類推。
[page]
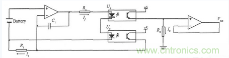
在電壓監控中我們需要對各個電池的實時電壓進行比較,就必須設計一定的電路,將各個電池的電壓轉化到同一基準上。采取光耦隔離取樣的方法可以實現電平轉化,考慮到線性光耦價格是普通光耦的10倍以上,出于工程中成本控制需要,將普通光耦線性化連接以實現電壓的采集和實時監控。

圖4:電壓監控電路
在如圖4所示的單體電池電壓監控電路中,使用了同一型號同一批次的兩個普通光耦器件和兩個運算放大器。兩個光耦中,一個用于輸出,另外一個用于反饋。反饋用來補償發光二極管時間、溫度特性上的非線性。

從式(5)可知,該測量電路的電壓增益只與電阻R1,R2的阻值有關,與光耦的電流傳輸參數等無關,從而實現了對電壓信號的線性隔離。經如圖所示電路轉化后電池電壓被轉化為具有統一參考地的輸出電壓Vout。
[page]
4、部分分流控制電路
如圖5分流控制電路所示,充電過程中,當某一單體電壓明顯高于組內其他電池時,CPU將控制端口拉高,則Q1導通,Q2基極電位被拉低,Q2導通,部分電能從旁路電阻R4分流,降低該電池充電速率,從而實現電池組各單體電池充電速率同步。
其中

Iequ為旁路電阻R4上所流過的電流,即均衡電流;P為旁路電阻R4上所消耗的功率;Ubat為電池兩端電壓。

圖5分流控制電路
均衡電流大小的選擇會直接影響充電器的性能。
電流大,充電器整體發熱量大,工作穩定性差。電流小,電壓調整幅度小,速率可調整幅度小。經反復實驗,當Iequ≈0.1Icharge時,調整能力和發熱量達到最佳平衡狀態。
由于充電時Ubat的范圍為3~4V,該充電電池標稱容量為2000mAh,最大充電電流為2A.綜合上面因素,R4選擇將兩個47Ω電阻并聯。
結束語
由于單體鋰電池在制造工藝、工作環境等方面的差別,會造成鋰電池組串聯充電的不平衡性。運用部分分流法設計的能耗型鋰電池組均衡充電器,良好地解決了電池組充電的不平衡問題。有效地防止過充現象,提高了鋰電池使用的安全性,增加了電池組的充電容量,延長了鋰電池組的使用壽命。經過反復試驗,選擇最適參數,控制了發熱量,保證了充電器的長期穩定工作。在設計過程中,充分考慮了實際生產的需求。在保證實用性和可靠性的前提下,簡化設計,選擇常用器件,提高了性價比,具有良好的應用前景。
相關閱讀:
危害鋰電池使用壽命的四大“誤區”
http://m.jinyixuan88.cn/power-art/80021298
鋰電池短路保護設計:功率MOSFET及驅動電路的選擇與設計
http://m.jinyixuan88.cn/cp-art/80021668
防止鋰離子電池組短路新方法
http://m.jinyixuan88.cn/cp-art/80020985
專家講解:如何實現電池組的高精度電池測量
http://m.jinyixuan88.cn/power-art/80021470




