【導讀】逆變器憑借著其高的轉換效率,啟動快,安全性能好等特點被廣泛應用月各個領域。而關于逆變器的電路設計方案也是有很多。工程師們有福了,一位資深工程師拿出來自己多年來的積蓄,將分享給大家他碰到的很有價值的逆變器的電路設計,共有12款電路,大家可以隨意挑選,學習!
12款很有價值的逆變器的電路設計,大家可以隨意挑選,學習!
第一種逆變器電路:

第二種逆變器電路:

第三種逆變器電路:

第四種逆變器電路:

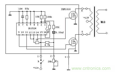
第五種逆變器電路:

第六種逆變器電路:

第七種逆變器電路:

第八種逆變器電路:

第九種逆變器電路:

第十種逆變器電路:

第十一種逆變器電路:

第十二種逆變器電路:

相關閱讀:
一款低成本、高可靠性的逆變器電源電路設計




