本文將會根據DC/AC SCAN的概念展開描述,并將他們進行區別對比,讓你更加全面的了解DC/AC SCAN測試技術。
SCAN技術,也就是ATPG技術-- 測試std-logic, 主要實現工具是:產生ATPG使用Mentor的 TestKompress和synopsys TetraMAX;插入scan chain主要使用synopsys 的DFT compiler 通常,我們所說的DCSCAN就是normal scan test 即慢速測試,測試頻率是10M-30M ,AC SCAN 也就是at-speed scan 即實速測試,測試頻率與芯片真實工作頻率是一樣的。
70年代到1995年這段時間里,由于芯片的工作頻率很低只有20-100M,scan測試只有DC SCAN,我們就能捕捉到所有std-logic的制造缺陷。但是1995年以后,測試科學家和工程師發現通過DC SCAN測試沒有缺陷的芯片在高工作頻率下使用會有問題。其根本原因是隨著制造工藝向深亞微米邁進,芯片的工作頻率也提高到200M-1G,原來的SCAN測試方法和模型不再能捕捉到所有的std-logic的制造缺陷。大家的一致想法就是-“奔跑吧,SCAN” ,把SCAN的頻率增加到與芯片的真實工作頻率一致,同時使用新的TransiTIon atpg model來產生測試pattern.
下面我們介紹DC SCAN與AC SCAN的異同
現在的工業量產的高速芯片都會要求能做DC SCAN測試和AC SCAN測試,所以DFT工程師也要同時插入兩種測試電路,產生兩套測試patterns。
具體實現流程如下
1 讀入沒有插入scan的網表
2 使用Design compiler 插入scan chain和OCC (on chipclocking)模塊,同時插入mux, fix DRC
3 使用Testcompress 實現EDT壓縮scan chain
4 使用Testcompress 產生測試DC/ACpattern,同時產生測試驗證的Testbench
5 驗證DC/AC patterns的正確性和電路的正確性
6 使用SDF,驗證DC/ACpatterns相關電路的時序是否滿足要求
7 使用DC/AC patterns (wgl文件)轉換成ATE所需格式,在ATE上調試和使用
ATPG工具使用的TransiTIon faultmodel如下圖
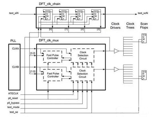
常用的OCC電路結構如下
我們典型的插入OCC以后的電路如下圖
推薦閱讀:
一款全自動電飯煲系統的設計與實現
中國電動汽車百人會理事長陳清泰先生一行調研參觀英飛凌無錫智能制造工廠
有機電解質如何提升鋰硫電池穩定性的技術研究分析




