【導讀】BQ40z80是完全集成的2-7節鋰離子或鋰聚合物電池管理芯片,采用已獲專利的Impedance Track™技術,具備電流、電壓和溫度等全面的可編程保護功能。其硬件電路設計主要分為三個部分:主電流回路模塊、電量計模塊和保護模塊。
1.介紹
BQ40z80是完全集成的2-7節鋰離子或鋰聚合物電池管理芯片,采用已獲專利的Impedance Track™技術,具備電流、電壓和溫度等全面的可編程保護功能。其硬件電路設計主要分為三個部分:主電流回路模塊、電量計模塊和保護模塊。
2.主電流回路
主電流回路即指在電量計的控制下對電池進行充電、放電的電流回路。當充電時,該回路的電流從PACK+開始,經過用于控制充電和放電的開關FETs、化學保險絲、電池和電流采樣電阻,最終回到PACK-。
2.1充、放電FETs
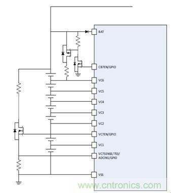
充、放電的兩個N-CH FETs以漏極對接的方式串聯在PACK+和電池組的正極,如圖2-1所示,Q2、Q3分別是充、放電FET。當進行充電或放電時,Q2和Q3同時導通;當充電停止時,Q2關斷;當放電停止時,Q3關斷。

圖2-1 充、放、預充、預放電MOSFET電路圖
在進行FETs選型時應注意以下兩點:(1)FET的額定電壓值必須大于電池的最大電壓;(2)考慮到放電時負載端產生反電動勢的情況,放電FET的額定電壓值應比充電FET稍大。
其驅動信號CHG和DSG上的柵極驅動電阻典型值分別為1kΩ和4.02kΩ,該阻值不同是由引腳內部結構決定的,使FETs的開通時間在幾毫秒左右;FETs柵源間電阻典型值為10MΩ, 以確保柵極開路時FETs關斷,避免誤導通現象。
跨接在FTEs兩端的電容C1、C2起到在ESD事件中保護FETs的作用,其兩端路徑應本著盡可能短和寬的設計原則,同時還應注意C1和C2的額定電壓都應比系統相應最大電壓更大,從而達到在某一個短路時另一個仍能起到保護作用的效果。
2.2預充、預放電FETs
預充電功能指當電池因過度放電、放置過久的自放電等原因導致兩端電壓過低時,若直接進入正常充電模式易損壞電池或影響電池使用壽命,此時需使用預充電功能,以小電流將電池充電至正常電壓范圍內后再轉換為正常充電模式。它通過對P-FET的控制實現,預充電流的大小通過限流電阻R2=(VCHARGER-VBAT)/R2設定,同時兼顧對電阻上的熱量消耗P=(VCHARGER-VBAT)2/R2的考慮。
預放電功能是指當電池應用于較大的電容負載時,啟動瞬間易產生瞬間沖擊電流,需先以軟起的形式進行緩慢充電,從而減小瞬間大電流。如圖1-1所示,來自Pins 16、17或20的驅動信號提供一個高電平使N-CH FET Q10導通,從而將預充電P-CH FET Q8的柵極接入地,使Q8導通,預充電回路打開,其預放電速率由限流電路設定。
2.3 防反接保護
充電器反接會對系統造成極大傷害,因此需為此設計相應的保護電路,如圖2-2所示。

圖2-2 反接保護電路
若無此保護,當PACK+上出現一個略小的負信號,放電FET將進入線性工作區,影響電路正常工作。但加入防反接電路后,PACK+上的負信號會使柵極接地的N-FET Q9導通,使放電FET的柵源極短路,從而起到保護作用。在選型時應選擇具有較低Vgs(th)的N-FET,已達到可靠及時的保護效果。
2.4電芯輸入
BQ40z80可以實現2-7節鋰電池的管理和保護。對于2-6節的電池,芯片內部包含已集成的電壓均衡模塊,只需正常進行連接,未使用的Pins短接處理,例如圖2-3所示在5節串聯電池的應用中需將VC6與VC5短接。同時,每節電芯的輸入應設計一個RC濾波電路,在起到ESD保護作用的同時,也可實現對輸入電壓信號實現初步濾波。考慮到該電阻處在電壓均衡回路上,阻值選取應在內部電壓均衡和濾波頻率間進行均衡。

圖2-3 5節電芯輸入連接方式
對于7節電芯的電池則需進行額外的設置將電壓均衡設置在外部,其連接方式如圖2-4所示,其中,Pin VC7EN使能對7P的電壓測量。

圖2-4 7節電芯連接方式及其外部電壓均衡模塊
2.5電流采樣電阻
通過由采樣電阻所確定的回路電流值及方向是電量計的重要輸入信號。BQ40z80內部有一個用于電流檢測的集成Delt-sigma ADC,可實現的測量范圍是-0.1V到0.1V。通過Pins SRP、SRN檢測到的采樣電阻兩端的壓降判斷流經電池的電流,一方面用于判斷系統處于充電還是放電模式,當檢測到VSR=V(SRP)-V(SRN)為正值時,系統處于充電狀態,反之處于放電狀態;另一方面通過庫倫計得到的積累電荷是電量計算的關鍵參數之一。
BQ40z80推薦的采樣電阻阻值為1mΩ-3mΩ。對于大電流的應用場合,在確保可靠的開爾文連接的前提下支持并聯采樣電阻的方案。為防止短路情況下的大電流使電阻兩端電壓值超過Pins SRP、SRN的最大絕對輸入值0.3V,兩個100Ω的電阻R36、R37應串聯接入采樣信號。

圖2-5 采樣電阻開爾文連接
綜上,如何確保較高的測量精度是設計采樣電阻時的關鍵。應注意以下三點:(1)連接方式應選擇開爾文連接,如2-5圖所示;(2)電阻選型應注意使其溫漂小于50ppm,以減小因溫度變化引起的測量電流的漂移;(3)設計合適的濾波電路以減小噪聲干擾,詳見3.1節。
3.電量計
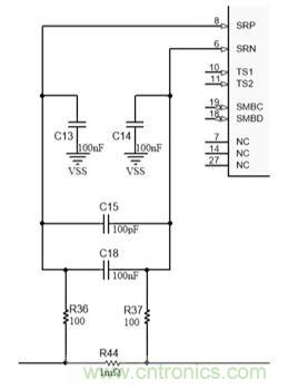
3.1庫倫計接口
為了提高采樣電流精度,除了對采樣電阻的處理還可對輸入信號的接口電路進行設計,如圖3-1所示是為減小信號噪聲而對采樣信號設計的低通濾波電路。

圖3-1 庫倫計接口低通濾波電路
Pins SRP、SRN兩端分別設置0.1μF的濾波電容C13和C14,以實現對100k-100MHz頻率范圍內的噪聲的濾除作用,中間跨接的兩個100pF和0.1μF的電容用于濾除高于100MHz的噪聲。以上所有濾波元件都應放置在離輸入端盡量近的地方,且采樣電阻兩端信號到濾波電路的路徑應保持平行,最后,在濾波電路周圍鋪滿地平面會對更良好的濾波效果有所幫助,如圖3-2所示。

圖3-2 庫倫計接口濾波電路Layout方式
3.2電源管理
BQ40z80的供電系統包括三部分:來自電池的BAT、來自充電器的VCC和內部進行瞬間供電的PBI,據工作狀態的不同對電源供應進行管理,如圖3-3所示。

圖3-3 BQ40z80供電管理系統
通常,由電池對設備進行初級供電,從正極經過一個輸入端肖特基二極管引入至Pin BAT,輸入范圍為2.2-32V,該二極管可在因短路引起的暫態電壓跌落的情況下將設備與電池迅速隔離開,由所用電池的最大電壓決定,例如24V的電池選擇40V的二肖特基極管。Pin VCC作為設備的第二級電源輸入,連接在CHG和DSG的FETs共漏極,當電池處于電量較低的狀態,若PACK上有充電器,設備檢測到BAT的電壓低于VCC時,將使用充電器的能量作為電源供應。最后,第三級電源供應來自Pin PBI,作為暫態失電的瞬間的能量后備,該引腳通過一個2.2μF的電容接入地,其瞬間的能量來源即該電容上儲存的能量。
3.3系統檢測
系統檢測指BQ40z80通過Pin PRES*去檢測PACK是否有充電器或負載的接入,該引腳通常接入地。設備內部通過一個典型值為10-20μA的電流源在該引腳每秒提供一個4μs的脈沖,為使該測試脈沖值低于VIL限制,應串聯20kΩ或小于20kΩ的電阻,如圖3-4所示。

圖3-4 系統檢測電路
同時,由于系統檢測信號連接至PACK,為在外部靜電放電時保護設備,BQ40z80的Pin PRES*內部已有集成ESD保護,僅需將一個1kΩ的電阻接入即可實現8 kV的ESD保護。
3.4 內部電壓均衡
BQ40z80含有內部集成的電壓均衡模塊,可同時對每一節電芯實現最大10mA的均衡電流以達到電壓均衡。
如圖3-5所示,以兩節電芯為例,當BQ40z80通過輸入端的電壓采樣判斷出某一節或多節電芯的電壓異常時,將驅動內部旁路FETs,使其開通,在單節電芯的兩端構成一個回路,所形成的旁路電流通過回路上的電阻將電芯兩端異常的電壓以熱的形式消耗掉。因此,回路上的總電阻決定旁路電流的大小,即電壓均衡的強度。

圖3-5 內部集成電壓均衡模塊
電阻由兩部分構成,第一是旁路FETs的導通電阻Rds(on)=200Ω,第二是電芯電壓輸入端的RC濾波電路。所以,每一節電芯的總旁路電阻為2×100+200 = 400Ω,若按一節電芯電壓典型值為4V考慮,旁路電流約為10mA。需注意的是,電壓均衡的實現過程并不是旁路FETs全導通直至均衡完成的過程,而是在每小時內以一定的占空比開啟旁路FETs,對BQ40z80而言其典型值為75%,該值可通過軟件進行修改。此時,對一節容量為2000mAh、SOC異常10%的電池,以占空比D去均衡則所需的時間t =2000mAh×10%/(10mA×D)。
3.5 外部電壓均衡模塊
BQ40Z80含有內部集成的電壓均衡模塊,能同時對每一節電芯實現最大10mA的均衡電流以達到電壓均衡。若需要更快速度的電壓均衡能力,則需進行外部電壓均衡模塊的設計,如圖3-6所示。
外部N-MOSFETs采用具備低柵源驅動閾值電壓Vgs(th)的。考慮到FETs的導通穩定性,此處將輸入RC濾波電路中原100Ω的電阻改變為1kΩ。工作原理如下:當BQ40z80控制內部旁路FETs導通,形成內部旁路回路,其上兩個1kΩ的電阻和FETs的導通電阻Rds(on)=200Ω構成一個分壓比為0.454的電阻分壓器。考慮一節電芯的典型電壓范圍為3-4.2V,當進行單節電芯的電壓均衡將會經過分壓在電阻上產生一個1.362-1.907V的電壓信號,該信號即外部FETs的柵源驅動電壓,因此N-MOSFETs導通,外部的旁路回路打開,旁路電流大小將由外部回路上的電阻決定,用戶可根據需求設置。

圖3-6 外部電壓均衡模塊
應注意的是外部旁路MOSFET選擇原則是在考慮電路分壓比的情況下使其具備盡量低的Vgs(th),以實現成功可靠的驅動,例如DMN2004DWK、NTZD3154N和Si1024X等。更多細節可參考應用技用文檔,Fast Cell Balancing Using
External MOSFET (SLUA420)。
3.6 溫度
BQ40z80提供四個多達4個溫度輸入信號TS1、TS2、TS3和TS4,可同時用于電池、FETs等的溫度檢測,可通過軟件配置其檢測的對象類型和模式。 Pins TS1、TS2、TS3和TS4內部都集成了典型值18kΩ的上拉電阻,可支持25℃下10kΩ的NTC熱敏電阻(暫不支持PTC),應注意用于電池的溫度檢測則常采用引線式熱敏電阻,便于貼合電池表面,對電池溫度達到更好的監控效果。
4 針對大電流場合的應用
在一些特殊的應用場合,如電動車、飛機等,通常要求的放電電流較高。據此,以下提供一些關于如何針對大電流的應用場合對BQ40z80進行電路設計的方案可供參考。
4.1 FETs及采樣電阻并聯方案
針對大電流放電設計的關鍵點在于如何拓展主電流回路承受電流的能力,即包括該回路上的充放電FETs和電流采樣電阻。當要求FETs通過較大電流時,考慮到散熱壓力及MOS的額定電流,推薦使用并聯MOS方案。在選型時,首先應考慮驅動能力的限制而選取具備盡量小的Qg的開關管,同時兼顧大電流導通情況下散熱和損耗壓力而選擇具備盡量小的Rds(on)的開關管。但對于并聯MOS易于產生的均流問題還需進行額外的考慮,如Layout時在盡量使其驅動信號位置平行。
針對電流采樣電阻,BQ40z80本身是支持并聯方案的。在選型時,應結合所需求的電流值和Pins SRP、SRN的輸入電壓范圍的考慮去選取合適的電阻值。同時,出于散熱考慮對額定功率和封裝的選擇建議留有一定裕量。例如實現對100A電流的采樣,選取兩個1mΩ、額定功率3W、2512封裝的電阻。但出于對于電流采樣精度的考慮,并聯方案下對保障可靠的開爾文連接是至關重要的。
4.2 并聯驅動能力解決方案
顯然,并聯MOS方案存在的最大問題就是IC驅動能力有限制,BQ40z80的Pins CHG、DSG的驅動最大輸出負載能力約為10μA,可參考該值及MOS的輸入電容、導通電阻等對其驅動能力進行衡量。針對該問題有如下兩個解決方向:
第一,在BQ40z80的Pins CHG、DSG能力范圍內去選擇Qg值滿足可成功驅動、Rds(on)滿足和散熱需求的MOSFET,但需注意的是,普遍而言,這兩個值具備一個相反的關系,需要進行衡量。另外,此時MOS開通時間會相應變長。例如若選取CSD18510Q5B,Qg=118nC,Rds(on)=0.79mΩ(Vgs=10V),在以3個并聯的方式使用時,導通時間約14ms。
第二,當MOS的驅動需求超出BQ40z80的驅動能力或對開通時間有更高的要求的時候,可采用以下2種方式通過外加器件的設計增強電路驅動能力:
(1)在Pins CHG、DSG的輸出增加一個額外的三極管去增強其驅動能力,如圖4-1所示,但此時需增加一個額外的輸出值高于Vbat大約10V左右的DC-DC去完成三極管的電源供應,上拉電阻阻值也應根據MOS驅動電流的需求設計。

圖4-1 BQ40z80及三極管驅動電路
(2)增加高側N通道FET驅動器BQ76200(BQ76200)去增強其驅動能力,如圖4-2所示,該設計下將避免加額外的DCDC的需求,BQ40z80的Pins CHG和DSG的輸出信號不再直接驅動MOS,而是作為BQ76200的使能輸入,使用后者去驅動MOS,從而解決驅動能力不足的問題。

圖4-2 BQ40z80及BQ76200驅動電路
選擇該設計方案時應需注意,BQ40z80的Pins CHG和DSG的輸出電平分別以Vbat和PACK+作為基準,而BQ76200的使能輸入是以VSS作為基準,兩者之間的電壓等級并不匹配,所以需要進行電平轉換。對于BQ9006驅動輸出的高電平,需要使用一個電阻分壓器R1、R2對BQ40z80的輸出電壓進行變換,使其符合BQ76200的使能輸入范圍。同時,對于BQ006 輸出的低電平,需通過一個P-FET確保只有當Pin CHG的輸出高于Vbat時,P-FET導通,BQ76200才會通過電阻分壓器得到的使能輸入,避免誤導通現象。P-FET的選取原則是其Vgs(th)約為10V左右,與Pin CHG的驅動輸出相對應。
其次,還需關注電阻分壓器的阻值選取,考慮到Pin CHG的輸出電流能力極限約為10μA,輸出電壓約為Vbat+10V,R1、R2的總阻值應限制電流在其能力范圍內。同時,也應考慮BQ76200的使能輸入Pin CHG_EN內部含有的一個典型值約為1MΩ的下拉電阻對分壓值的影響。
在實現電平轉換的基礎上,需對BQ76200在并聯方案下的電路進行進一步設計。首先,BQ76200除了支持充放電FETs串聯連接,還支持充電和放電分為兩個單獨的回路,即充放電FETs并聯的連接方式。當應用場合放電和充電的電流等級相差較大,可考慮分別設計充電和放電回路,這樣的設計可以有效減少充電FETs的數量。確定何種連接方式后,應根據所使用FETs具體情況計算其Pin VDDCP上的電容值,更多細節可參考技術應用手冊FET Configurations for the bq76200 High-Side N-Channel FET Driver(SLVA729A)。
5 參考電路圖

推薦閱讀:




