【導讀】在全球范圍內,多層陶瓷電容(MLCC)供不應求。很大部分原因是因為手機的電子復雜性提高、電動汽車的銷售量增加,以及全球各行各業電子內容的擴展。相比幾年前,一些智能手機的MLCC用量翻了一番;相比使用典型的現代內燃機的汽車,電動汽車的MLCC用量增加至少4倍(圖1)。MLCC從2016年底開始缺貨,這使得生產大電容值產品(幾十µF或更高)變得尤其困難,而最新電子器件采用的高能電源需要這種電容才能運行。制造工廠想要降低MLCC要求不可避免地想要從電源的電容要求著手,尤其是開關穩壓器的電容。因此,電源設計人員成為解決電容短缺問題的關鍵。

圖1.全球范圍內電動汽車(a)和手機(b)對MLCC的用量增加,但生產量沒有相應增加,導致MLCC缺貨。1
電源電路使用電容——大量電容
典型的直流-直流降壓變換器使用下列電容(參見圖2):
● 輸出電容:在負載瞬態響應期間,平緩輸出電壓波紋和電源負載電流。一般使用幾十μF到100 μF的大電容。
● 輸入電容:除了穩定輸入電壓之外,它還被用于輸入電流的即時供應。一般在幾μF到幾十μF之間。
● 旁路電容:吸收開關操作產生的噪聲和來自其他電路的噪聲。一般在0.01 μF到0.1 μF之間。
● 補償電容:保證反饋回路中的相位裕量并防止振蕩。通常為幾百pF或幾十nF。有些開關穩壓器IC中采用了補償電容。
降低電容的最好方法是想辦法最小化輸出電容的數量。本文接下來將介紹減少輸入電容的策略方法,然后介紹降低旁路電容要求,以及,在一定程度上,減少輸入電容的解決方案。

圖2.典型降壓穩壓器使用的電容。
增加開關頻率,以降低輸出電容
圖3a顯示的是典型的電流模式降壓變換器的框圖,下部電路區域表示反饋回路和補償電路。
反饋回路的特性如圖3b所示。回路增益為0 dB(增益=1)時的頻率被稱為交越頻率(fC)。交越頻率越高,穩壓器的負載階躍響應性能越出色。例如,圖4顯示的是支持負載電流從1A快速增加到5A的穩壓器的負載階躍響應。所示結果對應的交越頻率為20 kHz和50 kHz,分別導致60 mV和32 mV壓降。

圖3.典型降壓穩壓器(a)的框圖和典型的反饋特性(b)。

圖4.比較采用兩種交越頻率時,降壓穩壓器的負載階躍響應。
從表面上看,提高交越頻率似乎是個簡單方法:可以通過最小化輸出壓降來改善負載階躍響應,從而減少輸出電容數量。但是,提高交越頻率會導致兩個問題。第一,需要保證反饋回路具備足夠的相位裕量,以防止振蕩。一般來說,采用該交越頻率時,需要45°或更高(最好是60°或以上)的相位裕量。
第二,需要注意開關頻率(fSW)和fc之間的關系。如果它們的幅度相當,負反饋會響應輸出電壓波紋,從而影響到穩定運行。作為一項指導,可以將交越頻率設置為開關頻率的1/5(或更低),如圖5所示。

圖5.如果開關頻率和控制回路交越頻率太過接近,負反饋可能響應輸出電壓波紋。最好是讓交越頻率低于開關頻率1/5。
要增加交越頻率,需要同時增加開關頻率,但是,這會導致頂部和底部FET的開關損耗增加,會降低轉換效率和產生更多熱量。在電容上實現的節省會因為增加散熱元件帶來的復雜性抵消:比如鰭狀散熱器、風扇或額外的板空間。
是否能夠在高頻率下保持高效率?答案是肯定的。使用ADI公司提供的Power by Linear™穩壓器IC就可以達到這種效果,這些穩壓器IC采用獨特的FET控制功能,在更高開關頻率下也能保持高效率(圖6)。
例如,LT8640S 6 A輸出降壓穩壓器在操作頻率為2 MHz時(12V輸入和5V輸出),在整個負載范圍內(0.5 A至6 A)能保持高于90%的效率。
這個穩壓器也可以通過減少電流波紋(ΔIL)來降低電容要求,從而降低輸出波紋電壓(ΔVOUT),如圖7所示。或者,使用更小的電感。
開關頻率更高時,可以增加交越頻率,以改善負載階躍響應和負載調整,如圖8所示。

圖6.Power by Linear穩壓器與競爭產品。對于典型的穩壓器,開關頻率增高時,效率會下降。ADI的Power by Linear穩壓器可以在非常高的操作頻率下保持高效率,因而支持使用值更小的輸出電容。

圖7.通過增加開關頻率來減小電容和電感的尺寸。

圖8.增加開關頻率可以改善負載階躍響應。
Silent Switcher穩壓器可以大幅降低旁路電容
如果減少旁路電容的數量,會如何?旁路電容主要被用于吸收開關操作產生的噪聲。如果能從其他方面降低開關噪聲,就可以減少旁路電容的數量。有一個特別簡單的方法可以實現這種效果,即使用Silent Switcher®穩壓器。
Silent Switcher穩壓器如何降低開關噪聲?開關穩壓器具有兩個電流回路:頂部FET開啟,底部FET關閉(紅色回路);頂部FET關閉,底部FET開啟(藍色回路),如圖9所示。熱回路傳輸完全開關的交流電流,也就是說,從0切換到IPEAK,然后回到0。它具備最高的交流和EMI能源,會產生最強變化的磁場。

圖9.開關穩壓器中的熱回路會因為本身產生的交變磁場而導致大量輻射噪聲。
可以使用壓擺率控制來降低柵級信號變化的頻率(降低di/dt),以便抑制開關噪聲。這種方法雖然能夠抑制噪聲,但會增加開關損耗,導致產生更多熱量,在之前所述的高開關頻率下尤其如此。壓擺率控制在某些條件下是有效的,ADI公司也提供包含這種控制的解決方案。
Silent Switcher穩壓器可以抑制熱回路中產生的電磁噪聲,但不是使用壓擺率控制。而是將VIN引腳一分為二,令熱回路可以分成兩個對稱的熱回路。產生的磁場被限制在靠近IC的區域,其他位置大幅降低,從而最大限度地降低輻射開關噪聲(圖10)。

圖10.獲得專利的Silent Switcher技術。
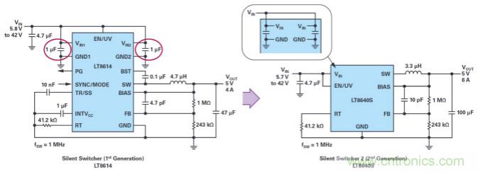
LT8640S是Silent Switcher技術的第二代,即Silent Switcher 2(圖11),IC內部集成高頻輸入電容。這可以確保最大限度地抑制噪聲,因此也無需如以前一樣非常小心地在布局中確定輸入電容的位置。毫無疑問,這也會降低對MLCC的要求。另一項功能——展頻,會通過動態改變開關頻率來降低噪聲峰值。LT8640S兼具這些功能,因此能夠輕松滿足CISPR 25 5級EMC汽車標準(圖12)。

圖11.ADI公司提供的Silent Switcher 2技術在IC中集成輸入電容,由此簡化布局和提升噪聲抑制性能。

圖12.在Silent Switcher 2器件(例如LT8640S)中采用這些降噪功能使得產品能夠輕松滿足CISPR 25 5級峰值限值標準,甚至降低輸入和旁路電容。
結論
ADI公司提供的Power by Linear器件有助于降低MLCC要求,從而幫助設計人員解決MLCC短缺問題。可以通過使用高頻率操作來降低輸出電容要求,同時保持出色的高效率。采用Silent Switcher架構的器件可以大幅抑制EMI噪聲,從而降低旁路電容要求。Silent Switcher 2器件進一步降低了對MLCC的需求。
參考資料
1 Robin Blackwell。“投資演示,2018年2月。”KEMET,2018年2月。
LT8640S數據手冊。ADI公司,2017年6月。
Seago, John。“OPTI-LOOP架構降低了輸出電容,改善了瞬態響應。”ADI公司,2007年8月。
Zhang, Henry J. “開關模式電源的模型和回路補償設計。”ADI公司,2016年2月。
作者簡介
Atsuhiko Furukawa于2006年加入凌力爾特(現在已成為ADI公司的一部分)。10多年以來,他一直為中小型客戶提供多種應用技術支持。2017年,他被調到汽車部門,現在主要負責設計大型(幾kW)和小型安全汽車應用。Atsuhiko是一名馬拉松長跑健將,取得的最好成績是3小時3分鐘。聯系方式:atsuhiko.furukawa@analog.com。
推薦閱讀:





