【導讀】最糟糕的設計方案通常會在最低輸入電壓下產生最大輸出功率。而在現實情況中,高輸入線路的最大功率可能是最低輸入線路電壓所輸送功率的兩倍。這會迫使電源設計人員必須對功率級進行過量設計。本文將探討輸入功率增加的原因以及降低方法。此外,還將介紹一種可提升峰值電流模式控制性能的創新方法。
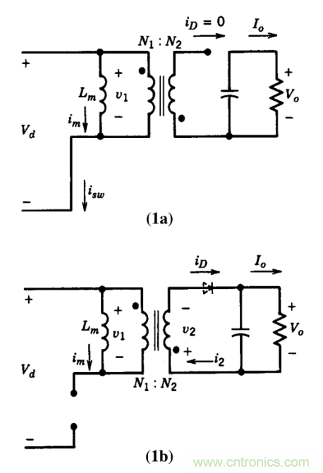
反向轉換器變壓器基本上由兩個耦合電感器組成。當主開關接通期間,電能被儲存在主耦合電感器中。由于變壓器具有一次繞組和二次繞組配置,因而當主開關接通時,輸出二極管 (D1) 會被反向偏置(圖 1a–1b)。當主開關斷開時,會將儲存在主耦合電感器中的電能傳送到輸出耦合電感器中,作為驅動負載的能量。反向變壓器能對輸出電壓進行升壓或降壓轉換,并提供輸入到輸出的隔離。

圖 1.1a) 主耦合電感器中存儲的電能;1b)電能傳送至二次繞組
峰值電流模式控制
出于對成本和簡約性的考慮,反向轉換器通用采用峰值電流模式控制,因而不能直接測量輸出電流。當反向轉換器出現過載故障時,輸出電壓就會下降。這樣,反饋補償電壓就會升高至脈寬調制 (PWM) 控制器限流閥值之上,而且 PWM 會在逐脈沖過限流限制 (pulse-by-pulse current limit) 模式下運行,這時反饋電壓不再控制 PWM 占空比。當峰值主電流超過 PWM 控制器限流比較器電壓參考值 (VCS) 時,終止占空比。
峰值電流模式控制面臨的挑戰
當控制器處于逐脈沖過限流限制模式下時,主開關無法即時關閉。在 PWM 和功率級內存在傳播延遲,其中包括控制器的前沿消隱 (LEB),在限流比較器、邏輯電路、柵極驅動器中的傳播延遲,以及功率 MOSFET 的關閉延遲。傳播延遲會導致峰值主電流因過沖而高于預期值。
方程式 1 計算實際峰值主電流:
(1)計算出峰值主電流后,我們可用方程式 2 來計算輸入功率:
這些傳播延遲可以長達數百納秒。我們能使用方程式 3 來計算主電流的斜率,其中 VIN 為整流直流線路電壓,LP 為變壓器的初級電感,dt 為總傳播延遲。
(3)若傳播延遲 (方程式 3中的 dt)保持不變,那么當 VIN 增大時,主電流斜率也會相應增大。由于存在傳播延遲,最大 VIN 下的峰值電流會因過沖而高于最小 VIN 下的峰值電流(圖 2)。

圖 2.傳播延遲與 VIN 的關系
結果是輸入和輸出功率隨著輸入線路電壓的增大而增大。可舉例說明這一問題。峰值主電流(方程式 4)能根據如下系統要求得出:
(4)對于峰值電流模式控制,我們能在計算峰值電流后確定電流感應電阻值大小(方程式 5)。
(5)VCS 為 PWM 限流比較器電壓參考 (0.5V)。最小輸入電壓下的峰值電流過沖是:
在最大輸入線路電壓下,峰值電流是(方程式 6):
(6)推薦閱讀:



