【導讀】調試完后,該電源可以輸出DC11.80V,DC-12.11V,Dc+5.02三路直流電壓源。輸出總功率10W,遺憾的是沒有接入保險絲,別在使用中電源給燒了。利用它重新調試運放結果很好。
1、自制電源的想法起源于前兩天想試試運算放達器,發現電源的-12V偏高,導致運放不能正常工作。
2、原理圖

圖1、自制穩壓電路接線圖
說明:(1)、T1是電子市場9塊錢買的10W正負12V變壓器。開始時我從一個壞的計算機電源上拆下一個小小的變壓器,認為可以用,首先發現引腳特別多,分不清哪是初級那是次級,其次我大膽地把一端只有兩個引腳的當做初級線圈接入220V,只是點動接觸一下,屋里空開就跳了。后來才明白,那是所謂的高頻變壓器,工作時把220交流電整流,濾波后,通過高頻開關輸入的。特點時可以實現小體積大功率。給象我一樣的初學者提個醒,碰到這種問題接線小心!果然電子市場買的新的變壓器,才10w!!!那么大個頭!:)
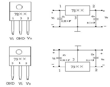
(2)、7812和7912是常用件,但是關于引腳定義挺亂的,總之是對應好就好了。圖2是我做完整理的時候發現的,覺得比較清楚,就摘錄過來。接錯引腳可能導致兩端電壓不對稱,甚至在整流橋后兩端電壓不對稱。其實正確的接線,穩壓效果是很不錯的。

圖2、 78xx和79xx接線圖
(3)、整流橋可以買到的,就一個集成電路,我買的是S2VB20,可以過200VDC,2A電流,反正我的變壓器就是10W的輸出1A不到,足以!
(4)、濾波電容,似乎沒什么講究,有人說從幾百到幾千微法都行,但是要注意耐壓,別被擊穿了。還有,別接反了,0和-12v之間,0接電容正,-12接電容負。我接反了,一個電容冒著煙壞掉了。濾波效果挺好的,不帶負載嘛!也看不出來,以后專門看看這個濾波,什么派型濾波不知有什么特長。用示波器看一條直線!如果不解電容,可以很清楚地看到整流橋后負半軸的波形翻轉上去。加電容后,立即變成一條直線了。
(5)、78xx和79xx的1、2與地之間的電容,有書上講是防止產生高頻自激振蕩和抑止輸入高頻干擾信號,摘錄至此。電容大小也是亂選的,這個不要參考了。
3、結果
調試完后,該電源可以輸出DC11.80V,DC-12.11V,Dc+5.02三路直流電壓源。輸出總功率10W,遺憾的是沒有接入保險絲,別在使用中電源給燒了。利用它重新調試運放結果很好。
免責聲明:本文為轉載文章,轉載此文目的在于傳遞更多信息,版權歸原作者所有。本文所用視頻、圖片、文字如涉及作品版權問題,請聯系小編進行處理。
推薦閱讀:
開關電源的脈沖寬度調制(PWM)和脈沖頻率調制(PFM)的區別




