【導讀】人們生活水平的提高,使得人們逐漸意識到家庭防盜系統的重要性。傳統機械結構簡單,安全系數不高。本問設計了一款靈活輕巧,安全系數高的電子密碼鎖。
設計思路
共設了9 個用戶輸入鍵,其中只有4 個是有效的密碼按鍵,其它的都是干擾按鍵,若按下干擾鍵,鍵盤輸入電路自動清零,原先輸入的密碼無效,需要重新輸入;如果用戶輸入密碼的時間超過40 秒(一般情況下,用戶不會超過40 秒,若用戶覺得不便,還可以修改)電路將報警80 秒,若電路連續報警三次,電路將鎖定鍵盤5 分鐘,防止他人的非法操作。
設計原理分析
電路由兩大部分組成:密碼鎖電路和備用電源(UPS),其中設置UPS 電源是為了防止因為停電造成的密碼鎖電路失效,使用戶免遭麻煩。密碼鎖電路包含:鍵盤輸入、密碼修改、密碼檢測、開鎖電路、執行電路、報警電路、鍵盤輸入次數鎖定電路。鍵盤輸入、密碼修改、密碼檢測、開鎖及執行電路 。
其電路如下圖1 所示:

圖1 鍵盤輸入、密碼修改、密碼檢測、開鎖、執行電路 3.2 報警電路
報警電路實現的功能是:當輸入密碼的時間超過40 秒(一般情況下用戶輸入不會超過),電路報警80 秒,防止他人惡意開鎖。電路包含兩大部分,2 分鐘延時和40 秒延時電路。其工作原理是當用戶開始輸入密碼時,電路開始2 分鐘計時,超出40 秒,電路開始80 秒的報警。如圖2所示。

圖2 報警電路
有人走近門時,觸摸了TP 端(TP 端固定在鍵盤上,其靈敏度非常高,保證電路可靠的觸發),由于人體自身帶的電,使IC10 的2 腳出現低電平,使IC10 的狀態發生翻轉,其3 腳輸出高電平,T5 導通(可以通過R12 控制T1 的基極電流),其集電極接的黃色發光二極管D3 發光,表示現在電子鎖處于待命狀態,T6 截止,C4 開始通過R14 充電(充電時間是40 秒,此時為用戶輸入密碼的時間,即用戶輸入密碼的時間不能超過40 秒,否則電路就開始報警, 由于用戶經常輸入密碼,而且知道密碼,一般輸入密碼的時間不會超過40 秒),IC2 開始進入延時40 秒的狀態。
[page]
開始報警:當用戶輸入的密碼不正確或輸入密碼的時間超過40 秒,IC11 的2 腳電位隨著C4 的充電而下降,當電位下降到1/3Vcc 時(即40 秒延時結束時候),3 腳變成高電位(延時時是低電平),通過R15 使(R15 的作用是為了限制T7 的導通電流防止電流過大燒毀三極管)T7 導通,其集電極上面接的紅色發光二極管D4 發亮,表示當前處于報警狀態,T8 也隨之而導通,使蜂鳴器發聲,令賊人生怯,實現報警。
停止報警:當達到了80 秒的報警時間,IC10 的6,7 腳接的電容C5 放電結束,IC10 的3 腳變成低電平,T5 截止,T6 導通,強制使強制電路處于穩態,IC11 的3 腳輸出低電平,使T7,T8 截止,蜂鳴器停止報警;或者用戶輸入的密碼正確,則有開鎖電路中的T10 集電極輸出清除報警信號,送至T12(PNP),T12 導通,強制使T7 基極至低電位,解除報警信號。
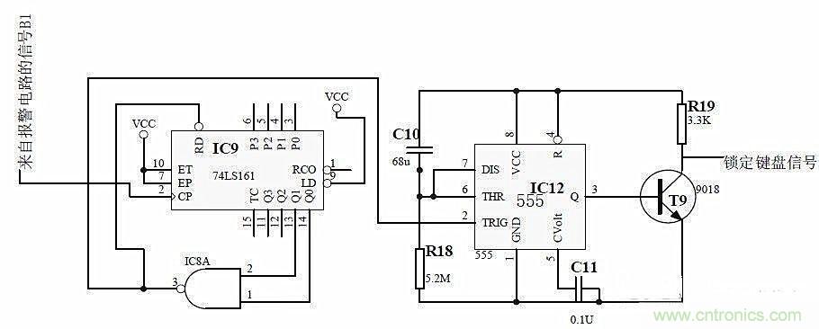
報警次數檢測及鎖定電路
若用戶操作連續失誤超過3 次,電路將鎖定5 分鐘。其工作原理如下:當電路報警的次數超過3 次,由IC9(74161)構成的3 位計數器將產生進位,通過IC7,輸出清零信號送往74161 的清零端,以實現重新計數。經過IC8(與門),送到IC12(555)的2 腳,使3 腳產生5 分鐘的高電平鎖定脈沖(其脈沖可由公式T=1.1RC 計算得出),經T9 倒相,送IC6 輸入端,使IC6 輸出低電平,使IC13 不能開鎖,到鎖定的目的。電路圖如下圖3所示:

圖3 報警次數檢測及鎖定電路 3.4 備用電源電路
為了防止停電情況的發生,本電路后備了UPS 電源,它包括市電供電電路,停電檢測電路,電子開關切換電路,蓄電池充電電路和蓄電池組成。其電路圖如下圖4 所示:

圖4 電源電路
[page] 220V 市電通過變壓器B 降壓成12V 的交流電,再經過整流橋整流,7805 穩壓到5V 送往電子切換電路,由于本電路功耗較少,所以選用10W 的小型變壓器。由R8,R9,R6,R7 及IC14 構成電壓比較器,正常情況下,V+V- IC14 輸出高電平,由T3,T4 構成的達林頓管使繼電器J 開啟,將其常開觸電將蓄電池和電路相連,實現市電和蓄電池供電的切換,保證電子密碼鎖的正常工作(視電池容量而定持續時間)。其電路圖如下圖5 所示:

圖5 停電檢測及電子開關切換電路
T1,T2 構成的蓄電池自動充電電路,它在電池充滿后自動停止充電,其中D1 亮為正在充電,D2 為工作指示。由R4,R5,T1 構成電壓檢測電路,蓄電池電壓低,則T1,T2 導通,實現對其充電;充滿后,T1,T2 截止,停止充電,同時D1 熄滅,電路中C4 的作用是濾除干擾信號。其電路圖如圖6 所示:

圖6 蓄電池自動充電電路
綜上所述,這個電路的密碼不能遺忘,一旦遺忘,就很難打開。用開關作74LS112 的CLK 脈沖,不是很穩定,可以調換其它高速開關或計數脈沖;電路密碼只有16 種可供修改,但由于他人不知道密碼的位數,而且還要求在規定的時間內按一定的順序開鎖,所以他人開鎖的幾率很小。所以這一防盜電子密碼鎖還是很可靠的。
電子密碼鎖用電壓比較器、555 單穩態電路、計數器、JK 觸發器、UPS 電源等設計的數字邏輯電路,實現對門的電子控制,并且有各種附加電路保證電路能夠安工作,有極高的安全系數。電路密碼只有16 種可供修改,但由于他人不知道密碼的位數,而且還要求在規定的時間內按一定的順序開鎖,所以他人開鎖的幾率很小。
相關閱讀:
技術帝上手:電子按鍵密碼鎖的設計
一款汽車電子密碼鎖電路設計
新手入門:電子密碼鎖基于555單穩態電路設計



